通常,在電機驅動應用中需要很多不同類型的保護,包括保護功率晶體管、電機或系統的任何部件。變頻器的電流保護是其中至關重要的一項。它不僅能預防對功率晶體管的任何潛在損壞,而且在發生故障或控制變得不穩定時能預防電機消磁。過流保護(OCP)和短路保護(SCP)常常互換使用,但兩者還是存在差別,我們將在本博文中探討。
OCP和SCP的差別
簡單來說,短路保護是過電流保護的一部分。圖1表示不同電流保護之間的關系。 接地故障保護、臂短保護和相間短保護都屬于短路保護。


圖1. 過流保護與短路保護比較
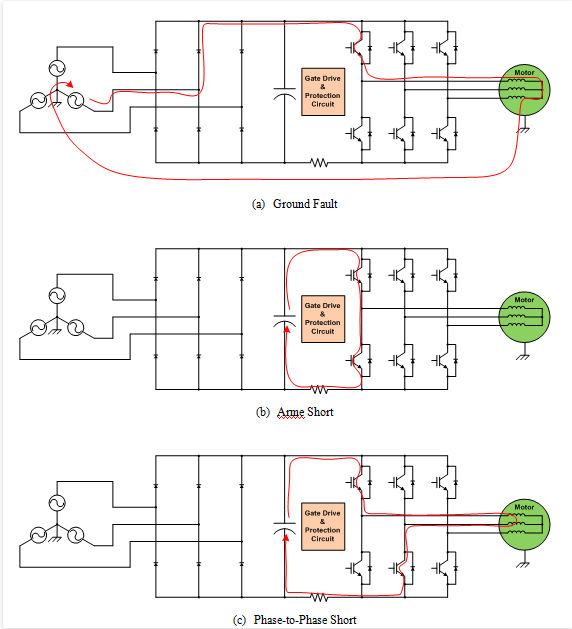
圖2表示不同的短路模式和電流路徑。如圖2(a)所示,當電機繞組短接至電機殼體(通常接地)時,或者當電機電纜短接至接地時,則發生接地故障。圖2(b)表示橋臂短路,指高側IGBT和低側IGBT同時意外導通并產生極高電流的情況。圖2(c)表示相間短路,當不同相間的電機繞組短路時發生。所有三個示例中,電流幅度因電流路徑(包括IGBT本身的)阻抗而受限。


圖2. 短路電流路徑
如何設置OCP點?
無論面對什么類型的過流情況,如何設置保護電流大小都很關鍵。要解決這一問題,首先應識別系統中脆弱的部件。在大多數情況下,IGBT將早于續流二極管受損,因為,當變頻器將功率傳遞至電機時,更容易發生過流情況。那么,是否應該將OCP跳變值設為IGBT能夠處理的電流? 這取決于系統采用的控制方法。在伏特/赫茲控制中(廣泛用于感應電機應用),啟動時的電流值無法預測。另一方面,如果采用磁場定向控制這樣的電流控制方法,則特定應用中電機的電流值是眾所周知的。如圖3所示,為此值添加一些裕量將成為OCP觸發大小的良好參考點。例如,帶FOC的電冰箱使用的永磁電機,其額定電流為1A rms,但是,在初始啟動冷卻期間,可承受120%的過載達10分鐘。此情況下,峰值電流為1 A rms * 120% * Sqrt(2) = 1.7 A峰值。考慮電流控制過沖裕量,可選擇+/- 2 A作為控制中的電流反饋范圍。接著可將2.5 A設為OCP跳變點。即使在變頻器電路中采用飽和電流為30 A的5 A IGBT,電流跳變點也不需要設為10 A或更高。高電流跳變點可能造成電機消磁。如果有固定時間的過載能力,可執行I2T保護來補充OCP。


圖3. OCP點與其它電流大小的關系
采用哪種保護方法?
另一方面,SCP側重于IGBT故障。Fairchild SPM智能功率模塊中的IGBT具備卓越的短路性能,但如果不能在幾微秒內安全關斷,仍可能受損。因此,應配置延遲時間固定在幾微妙的硬件,而非通過軟件實現。保護IGBT免受短路損壞的常見方法是通過電流檢測電阻感測負直流總線電軌上的電流,如圖4(a)所示,并將壓降前饋至柵極驅動器,以便后者同時軟關斷IGBT.在短路條件下關斷IGBT可能造成過大電壓尖峰和閉鎖故障。而軟關斷是克服這些問題為有效的方法。對于額定功率高于5 Hp的變頻器,電流檢測電阻的選擇相當有限,而Fairchild的SPM 2系列產品采用感測IGBT,其中配備感測發射極引腳,載流僅為實際發射極電流的一小部分。三個感測發射極相連,使電流通過外部電流檢測電阻,如圖4(b)所示。壓降以相似的方法前饋至柵極驅動IC。


圖4. 使用電流檢測電阻進行短路保護
這些方法的缺點之一是無法檢測接地故障電流,如圖2(a)所示。只要總和不為零,軟件可計算三相電流并識別接地故障。但響應速度可能不足以預防IGBT損壞。一個磁芯、一只正直流母線電軌上的電流檢測電阻和去飽和保護也是可選接地保護方式。Fairchild可提供帶不飽和保護功能的光電柵極驅動器。配備這些功能的器件有FOD8316、FOD8318和FOD8332等等。
總結
本文介紹了OCP和SCP的差別以及各種保護方案。為了滿足應用要求,應精心選擇合適的保護方法。
烜芯微專業制造二極管,三極管,MOS管,橋堆等20年,工廠直銷省20%,4000家電路電器生產企業選用,專業的工程師幫您穩定好每一批產品,如果您有遇到什么需要幫助解決的,可以點擊右邊的工程師,或者點擊銷售經理給您精準的報價以及產品介紹
烜芯微專業制造二極管,三極管,MOS管,橋堆等20年,工廠直銷省20%,4000家電路電器生產企業選用,專業的工程師幫您穩定好每一批產品,如果您有遇到什么需要幫助解決的,可以點擊右邊的工程師,或者點擊銷售經理給您精準的報價以及產品介紹