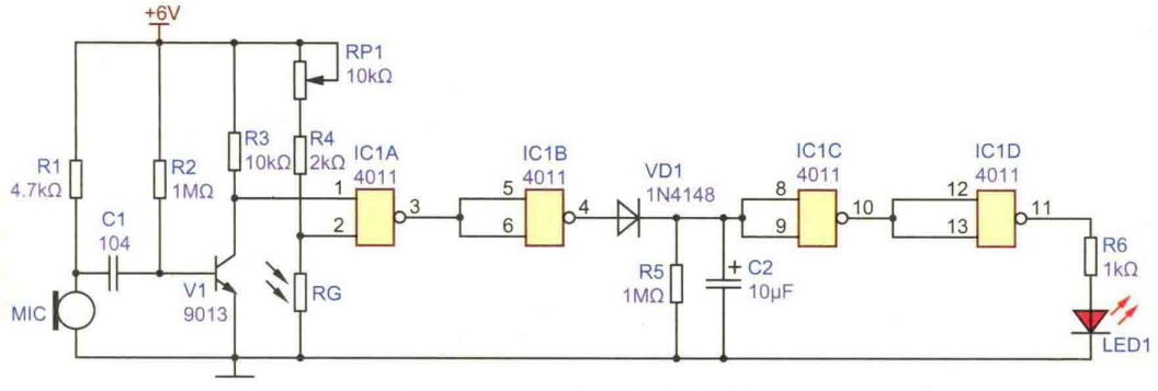
這里介紹的是一種聲、光雙控延時燈,在白天或者光線較強的場合,即使有較大的聲響,燈也不會點亮,在晚上或者光線較暗時,如有說話、拍手、 腳步等聲音,燈將自動點亮,經過一段時間后,自動熄滅,電路原理圖如下圖所示。


在白天,光線照射到光敏電阻RG上,其阻值變得較小,與非門1C1A的輸入端第2腳為低電平,這樣不論輸入端第1腳是高電平還是低電平,輸出端第3 腳都將保持為高電平,不受聲音脈沖的控制,IC1A的輸出高電平,經過ICB、 IClC、ICID3次緩沖、反相后,第11腳輸出為低電平,發光二極管LED1熄滅。
在晚間,光線很暗,光敏電阻RG呈現較高的阻值,使與非門ICIA的輸入端第2腳變為高電平,ICIA的輸出狀態將受到第1腳的電平控制,這為聲音通 道的開通創造了條件。在沒有聲音信號時,三極管V1工作在飽和導通狀態,故 ICIA的第1腳為低電平,發光二極管LED1仍然處于熄滅狀態。當附近有說話 或者走路等聲響時,駐極話筒MC拾取聲音信號,經過C1送到VI的基極,V 將由飽和狀態進入放大狀態,V1的集電極由低電平變為高電平,并送至IC1A 的第1腳,IC1A的輸出端第3腳將變為低電平,經過IC1B反相后,由第4腳輸 出高電平,該高電平通過二極管VD1向電解電容C2充電,因充電時間常數很 小,C2很快就充滿電,第4腳的高電平再經過IClC、ICID兩次緩沖、反相后, 第11腳輸出高電平,發光二極管LED1點亮。聲音消失后,三極管Ⅵ1恢復飽和 導通狀態,IC1A的第1腳變為低電平,輸出端第3腳變為高電平,經過IC1B反 相后,輸出端第4腳變為低電平。此時,由于有二極管VD起到的隔斷作用, 電解電容C2只能通過電阻R5緩慢放電,IClC的輸入端仍將維持高電平,因此 ICID的輸出端第11腳將繼續維持高電平,LEDl繼續處于點亮狀態。經過一段 時間后,當電解電容C2兩端電壓隨著放電的持續而下降到低電平時,IC1C的 輸出將變為高電平,再經過CID的反相后,其輸出將變為低電平,LED1熄滅, 完成一次聲控過程。
烜芯微專業制造二極管,三極管,MOS管,橋堆等20年,工廠直銷省20%,4000家電路電器生產企業選用,專業的工程師幫您穩定好每一批產品,如果您有遇到什么需要幫助解決的,可以點擊右邊的工程師,或者點擊銷售經理給您精準的報價以及產品介紹
烜芯微專業制造二極管,三極管,MOS管,橋堆等20年,工廠直銷省20%,4000家電路電器生產企業選用,專業的工程師幫您穩定好每一批產品,如果您有遇到什么需要幫助解決的,可以點擊右邊的工程師,或者點擊銷售經理給您精準的報價以及產品介紹