CD4060是由一振蕩器和14位二進制串行計數器位組成,振蕩器的結構可以是RC或晶振電路,CR為高電平時,計數器清零且振蕩器使用無效。所有的計數器位均為主從觸發器。在CP1(和CP0)的下降沿計數器以二進制進行計數。在時鐘脈沖線上使用斯密特觸發器對時鐘上升和下降時間限制。
1.cd4060中文資料
CD4060芯片特性
1) 電壓范圍寬,應該可以工作在3V~15V,輸入阻抗高,驅動能力差外,跟74系列的功能基本沒有區別;
2) 輸入時,1/2工作電壓以下為0,1/2工作電壓以上為1;
3) 輸出時,1=工作電壓;0=0V
4) 驅動能力奇差,在設計時最多只能帶1個TTL負載;
5) 如果加上拉電阻的話,至少要100K電阻;
6) 唯一現在使用的可能就是計數器,CD4060的計數器可以到14級二進制串行計數
2.cd4060引腳圖及功能

CD4060是14 級二進制串行計數器(分頻器/振蕩器)各引腳功能如下:
1、12分頻輸出 2、13分頻輸出
3 、14分頻輸出 4、6分頻輸出
5、5分頻輸出 6、7分頻輸出
7、4分頻輸出 8、Vss地
9、信號正向輸出 10、信號反向輸出
11、信號輸入 12、復位信號輸入
13、9分頻輸出 14、8分頻輸出
15、10分頻輸出 16、VDD電源
3.cd4060工作原理
CD4060構成的精確長延時原理電路工作原理:
通電后,時基振蕩器震蕩經過分頻后向外輸出時基信號。作為分頻器的IC2 開始計數分頻。當計數到10 時,Q4 輸出高電平,該高電平經D1 反相變為低電平使VT 截止,繼電器斷電釋放,切斷被控電路工作電源。與此同時, D1 輸出餓低電平經D2 反相為高電平后加至IC2 的CP 端,使輸出端輸出的高電平保持。電路通電使IC1、IC2 復位后,IC2 的四個輸出端,均為低電平。而Q4 輸出的低電平經D1 反相變為高電平,通過R4 使VT 導通,繼電器通電吸和。這種工作狀態為開機接通、定時斷開狀態。
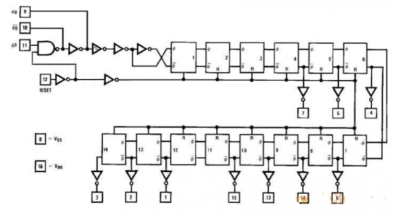
4.cd4060內部結構

5.cd4060作用和用途
CD4060的應用電路
CD4060B典型振蕩器連接:


上圖-RC振蕩器 下圖-晶體振蕩器
CD4060秒脈沖發生器電路:
