指針式和光點式檢流計的外臨界電阻較大,內阻較大,在電路中的損耗較大,而且在通電線圈中的電流發生變化時,線圈做阻尼運動,達到穩定位置需要一定的時間,檢流計響應速度較慢,因而不能檢測到瞬時變化的電流和回路要求損耗較小的瞬時電流(例如LC振蕩電流),也不適于測量回路電阻較小的瞬時電路電流。通常萬用表只可測量交流電流的有效值和直流電流大小。因此檢流計和萬用表都不能滿足測量和觀察瞬時變化電流的需要。本設計利用短路電流放大器的原理對檢測電流進行1:1放大后,可結合附屬電路借助發光二極管定性地檢測瞬變電流的大小和變化方向。
1 原理與實現
1.1 短路電流放大器
借助集成運放電路轉換速率高,輸入基極電流和漂移電流小,漂移電壓溫度系數小的特點,利用短路電流放大器的原理對待檢測電流進行1:1放大,展寬信號的內阻大小要求范圍,提高了檢測的靈敏度,實現瞬間變化電流的檢測。圖1所示為一反相輸入比例運算放大器電路,輸入信號Vi經過電阻R1接到集成運放的反相輸入端∑,而同相輸入端∑經過電阻R2接地。輸出電壓VO經反饋電阻RF接回到反相輸入端,形成一深度的電壓負反饋。在實際應用中為了保證運放的2個輸入端處于平衡的工作狀態,避免輸入偏流產生附加的差動輸入電壓,應使反相輸入端與同相輸入端對地的電阻相等。在圖1中應使R2=R1∥RF。由于理想運放的L=L=0,所以R2上無壓降,VO=0,再由理想運放的V+=V-,所以V-=0,得Vi=Ii×R1,所以反相輸入放大電路的等效輸入電阻r1=V/Ii=Ii×R1/Ii=R1。若使R1=0,則放大器輸入電阻即為零,根據平衡電阻的取值要求R2=R1∥RF,則R2=0,這就構成了一個短路電流放大器,電流輸入的阻抗為零,輸出的電壓VO的大小隨輸入的電流線性變化。如圖1所示,因為V∑∑=0,相當于信號源外電路短路,但實際并不斷路,∑,∑之間電阻極大,又因為∑點對地電阻達到幾兆歐,所以信號源的輸出電流只能經RF和IC形成回路,即VO=IORF。


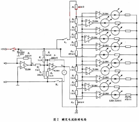
2 檢測電路工作原理
瞬變電流檢測儀電路原理如圖2所示。選用TL084結型場效應管輸入運算放大器,其中的每一個運算放大器在單塊集成電路上使用了高電壓結型場效應管和雙極性管,兼容了更好的匹配性,具有轉換速率高,輸入基極電流和輸入漂移電流小,漂移電壓溫度系數低的特點。集成運放A與R1成短路電流放大器,B與R2~R6、W1構成一個反相加法器,,對運放A的輸出電壓V1起放大作用,其中R3,R4與W1構成電路,如果輸入i=0時,運放B的輸出電壓VO≠0,則可移動多圈電位器W1的活動觸頭使VO=0,實際上,W1相當于指針式檢流計調零旋鈕的作用。運放B的電壓放大倍數AV=-R6/R2=-40。R7~R17串聯分壓產生10個基準電壓,各集成運放接成電壓比較器,并與電阻、發光二極管組成電平指示電路。當有輸入電流i,運放A的輸出電壓V1=-i?R1,該電壓被由B與R2~R6、W1構成的放大電路放大后與電壓比較器的參考電壓相比較,通過發光二極管組成電平指示電路來同步反映端子a,b間流過電流的相對大小、方向及變化規律。運放C~G構成的5個電壓比較器,其反相輸入端分別接基準電壓1.918 9 V,1.465 8 V,1.012 7 V,0.559 6 V,0.106 5 V,同相輸入端都接放大器B的輸出VO,用于正向電流(即從a端流人,b端流出)的比較顯示。另5個電壓比較器的同相輸入端分別接基準電壓,-0.106 5 V,-0.559 6 V,-1.012 7 V,-1.465 8 V,-1.918 9 V,反相輸入端都接放大器的輸出VO,用于負向電流(即從b端流入,a端流出)的比較顯示。

烜芯微專業制造二極管,三極管,MOS管,橋堆等20年,工廠直銷省20%,4000家電路電器生產企業選用,專業的工程師幫您穩定好每一批產品,如果您有遇到什么需要幫助解決的,可以點擊右邊的工程師,或者點擊銷售經理給您精準的報價以及產品介紹