紋波噪聲是衡量電源的一個重要指標,但有多少人知道紋波和噪聲其實是兩個性能指標,降低紋波和噪聲的方法是有一定區別的,本文將與大家一起探索如何降低紋波和噪聲。
一、紋波和噪聲是如何產生的
如下圖 1 所示,藍線框內的是紋波,而藍線框外的是噪聲,紋波和噪聲雖然都體現在一個波形上,但所屬不同的部分。
紋波的產生是由于開關電源在向輸出端傳遞不連續能量而引起的波動,該波動的頻率為開關管的頻率,幅值的大小與設計時的電流紋波率及輸出濾波電容有關。而噪聲的產生主要是開關管在導通或關端瞬間,由其電路中或器件上寄生的電感與電容引起的振鈴現象,噪聲放大以后頻率較高,幅值也較大。


圖 1
二、如何減小紋波
紋波的產生是由開關傳遞斷續的能量引起的,從開關電源的內部設計來著手,可以提高開關管的頻率,使每次傳遞的能量減小從而減小紋波,也可以增大傳遞能量的電感值 L,使電流的突變峰值降低,從而減小紋波的波動幅度。
從模塊外部,尤其是在客戶端,可以增加輸出濾波電容來減小紋波,但不能無限加大電容,因為大多數開關電源模塊有最大容性負載限制。
三、如何減小噪聲
1、電源 PCB 走線和布局
輸出濾波電容放置及走線對噪聲至關重要,如圖 2 所示,傳統設計中由于到達每個電容的阻抗不一樣,所以高頻電流在三個電容中分配不均勻,改進設計中可以看出每個回路長度相當即高頻電流會均勻分配到每個電容中,電流的輸入輸出路徑一定要先經過電容,且布板的鋪銅盡量向電容兩極收斂。


圖 2
如果 PCB 是多層板,可以選擇和主電流回路層最近一層覆地,覆地可以有效的解決噪聲問題,注意,盡量保證覆地的完整性。
2、電路吸收噪聲
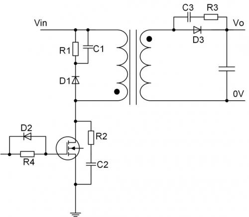
增加 RCD 吸收開關管關斷時產生的電壓尖峰,來減小耦合到輸出端的噪聲。一般選擇場效應管的反向恢復時間要比二極管 D1 慢 2~3 倍,以避免形成直通電流,此電流會產生很強的磁場,會增大輸出噪聲,所以可通過柵極電阻 R4 來減慢開關管的導通速度。為了不影響關斷速度可以在柵極電阻并聯一個二極管 D2 如圖 3 所示。


圖 3
可以在場效應管 DS 兩端并聯一個 RC 電路也可以有效的降低噪聲如圖 3 所示,電容 C2 一般在 100PF~300PF 左右,電容值過大會導致場效應管的開關損耗加大,電阻 R2 一般選取小于 10Ω電阻。
二極管在高速導通和關斷時,反向恢復期間,二極管的寄生電感和電容會產生高頻振蕩,為了抑制高頻振蕩可在二極管兩端加 RC 緩沖電路如圖 3 所示,電阻 R3 一般在 1Ω~100Ω,電容 C3 一般在 100pF~1nF,如果電源工作頻率較低,效率滿足要求的話,二極管 D3 可以選擇反向恢復時間較慢的二極管。
3、變壓器設計減小噪聲
變壓器的繞組通過高頻電流時,變壓器將變成有效的磁場天線,變壓器繞組又承受跳躍電壓,即變壓器也變成了電場天線,在初次級之間加法拉第屏蔽層可收集隔離邊界處的噪聲電流,并予以轉移到原邊地,但銅箔應為非常薄的銅箔帶,盡量避免渦流損耗并減小漏感,注意,銅屏蔽層末端不應有連接,否則會形成磁短路。
采用三明治繞法可使初次級繞組耦合更加緊密,使漏感得以減小,從而到達減小噪聲的目的,也可以用六面屏蔽金屬外殼減小對外的噪聲干擾。
總結
在設計電源時,有上述一些方法可降低輸出的紋波噪聲,當然不是全部方法;如果選用成品電源,不管是模塊電源、普通開關電源、電源適配器等,這部分的工作一般都由電源設計廠家完成,客戶只需關注規格書寫明的輸出紋波噪聲即可。如 ZLG 致遠電子的模塊電源,會標出典型的紋波噪聲值,如 E_UHBDD-10W 系列,典型值為 150mV VP-P。

烜芯微專業制造二極管,三極管,MOS管,橋堆等20年,工廠直銷省20%,4000家電路電器生產企業選用,專業的工程師幫您穩定好每一批產品,如果您有遇到什么需要幫助解決的,可以點擊右邊的工程師,或者點擊銷售經理給您精準的報價以及產品介紹

烜芯微專業制造二極管,三極管,MOS管,橋堆等20年,工廠直銷省20%,4000家電路電器生產企業選用,專業的工程師幫您穩定好每一批產品,如果您有遇到什么需要幫助解決的,可以點擊右邊的工程師,或者點擊銷售經理給您精準的報價以及產品介紹