電蚊拍是一種新型的滅蚊小家電。
1.電蚊拍電路圖作用
電蚊拍主要使用4V可充電的高容量鉛酸電池或2.4v鎳氫/鎳鎘電池,也有用干電池的。工作中,經升壓電路在雙層電網間產生1850V直流左右的高壓電(電流小于10毫安,對人畜無害),兩電網間的靜電場有較強的吸附力,當蚊蠅等害蟲接近電網時,能將它們吸入電網間,產生的短路電流隨即將其電斃。電蚊拍產生的高壓電還能釋放一定量的負氧離子,既可殺菌消毒,又能凈化空氣。
電蚊拍采用首創三倍壓整流、電路,瞬間輸出電壓高達2500V,擊蚊效果特佳。
電蚊拍可擊斃正在吸血的蚊子,而對人體無害,當手平摸,輕觸網面也無麻電感。
電蚊拍有特殊的三層網面構成,蚊蠅極易入網,且不漏網。
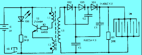
2.電蚊拍電路圖

3.電蚊拍電路圖原理
電蚊拍的電路主要由高頻振蕩電路、三倍壓整流電路和高壓電擊網DW三部分組成。當按下電源開關SB時,由三極管VT和變壓器T構成的高頻振蕩器通電工作,把3V直流電變成18kHz左右的高頻交流電,經T升壓到約800V(放電距離估測),再經二極管VD2~VD4、電容器C1~C3三倍壓整流升高到2500V左右,加到蚊拍的金屬網DW上。當蚊蠅觸及高壓電網時,蟲體造成電網短路,即會被電流、電弧殺灼或擊暈、擊斃。
電路中,發光二極管VD1和限流電阻器R1構成指示燈電路,用來指示電路通斷狀態及顯示電池電能的耗損情況。
晶體管VT選用2N5609型硅NPN中功率三極管,亦可用8050、9013型等常用三極管代替。VD1用φ3mm紅色發光二極管,VD2~VD4用1N4007型硅整流二極管。
R1~R3均用金屬膜電阻器。C1~C3一律用高壓電容器(大于2kv),SB用6mm×6mm立式微型輕觸開關。G用5號干電池兩節串聯(配塑料電池架)而成,電壓3V。
高頻變壓器T須自制:選用EE19型鐵氧體磁芯及配套塑料骨架(六腳),L1用φ0.22mm漆包線繞22匝,L2用同號線繞8匝,L3用φ0.07mm漆包線繞2000匝左右。注意黑點線頭,頭尾順序繞,繞組間饒1~2圈高壓絕緣膠帶。
電蚊拍裝有4V可充電的高容量鉛酸蓄電池。每次充電8-15小時,可反復充電400次,環保節能。充電完成拔動開關,可選擇是否帶照明燈下滅蚊,按下開關,即可滅蚊。
對于停在墻上或蚊帳上的蚊子,按下電源開關,此時紅燈亮,將稀網面對蚊子,輕輕靠近它,蚊子即被吸入兩電網間,隨即將其擊斃,稀網朝下,松下開關,蚊子即會掉落;對于在空中飛的蚊子,按下開關,稀面網對準它,揮動即可。
滅蒼蠅。因蒼蠅的靈敏度較高,使用時需掌握一定的技巧
1、對于停在平面上的蒼蠅,手握滅蚊蠅拍,稀面網對著蒼蠅,輕輕地放置于距蒼蠅20--30公分的同一平面處,按下開關,紅燈亮后,對蒼蠅快速揮動,蒼蠅即被吸到兩電網間,持續電擊1-2秒,蒼蠅即被電死。
2、對于墻面上的蒼蠅,手握滅蚊蠅拍,稀面網對著蒼蠅,貼著墻面,放在距蒼蠅下面或側面20--30公分處,按下開關快速揮動,蒼蠅即被吸入兩電網間,持續電擊1--2秒,蒼蠅即被電死。
3、對于停在懸掛于空中繩子上的蒼蠅,手握滅蚊蠅拍,稀網面對著蒼蠅20--30公分處,按下開關,快速揮動,蒼蠅即被吸入兩電網間,持續電擊1--2秒,蒼蠅即被電死。
若蒼蠅掉到桌面上,可將稀面網朝下,使其置于稀面網的兩根金屬條之間,按下開關,輕輕移動,害蟲即被吸入網中,翻轉手柄,使稀面網朝上,即可揀起害蟲。無須用手揀。
烜芯微專業制造二極管,三極管,MOS管,橋堆等20年,工廠直銷省20%,4000家電路電器生產企業選用,專業的工程師幫您穩定好每一批產品,如果您有遇到什么需要幫助解決的,可以點擊右邊的工程師,或者點擊銷售經理給您精準的報價以及產品介紹
烜芯微專業制造二極管,三極管,MOS管,橋堆等20年,工廠直銷省20%,4000家電路電器生產企業選用,專業的工程師幫您穩定好每一批產品,如果您有遇到什么需要幫助解決的,可以點擊右邊的工程師,或者點擊銷售經理給您精準的報價以及產品介紹