從工作原理而言,電子鎮流器是一個電源變換電路,它將交流輸入市電電源的波形、頻率和幅度等參數進行變換。
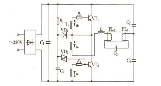
電子鎮流器電路圖
1. 電子鎮流器電路圖

當電路加電后,流經電阻 R;的電流對電容 Ca 充電,當電容 Cz 兩端的電壓達到雙向觸發二極管 VDz 的觸發電壓(大約為 35V 左右)時,VDz 雪崩擊穿,這時電容 C 通過開關管 VTz 的基極→發射極放電,VT·因發射結正偏而導通,在 VTz 導通期間,電流路徑為:+VDC→C3→燈管燈絲 FL1→C2→燈絲 FL2→鎮流電感 L→Tr 初級線圈 T1a—→VT2 的集電極→VTz 的發射極→地,開關管 VTz 集電極電流的瞬時變化為 dt,通過振蕩線圈 T1a 的兩個次級繞組 Tb 和 Tc 產生相應的感應電動勢,其感應電動勢的極性如圖 15 所示,其結果是 VTz 的基極電位升高,基極電流和集電極電流進一步增大,由于正反饋的原因,使開關管 VT2 躍變到了飽和導通工作狀態,在 VT2 飽和導通期間,啟動電容 C⑵通過雙向二極管 VD2 和開關管 VT2 的發射結放電。
啟動電路 R、C 和 VDz 為電路的起振提供起振工作條件,一旦電路振蕩起來后,電路維持振蕩是通過振蕩線圈 Tia、Tib 和 Tc 所提供的正反饋來實現。當開關管 VTp 達到飽和后,振蕩線圈 T:a、Tit 和 Tic 中的感應電動勢為零,VT2 的基極電位開始下降,Iz 下降,致使 I.2 下降,而這時 VT 費的基極電位開始上升,這種變化由于正反饋的作用,使 VT>截止,VT:飽和導通,在 VT{飽和導通期間,燈負載的電流通路為: VTi 的集電極→VT 的發射極→Tta→Li→燈絲 FL2→C2→燈絲 FL2→>C4→地。當 VT 飽和導通后,導致振蕩正反饋變壓器 T 又進入磁飽和狀態,同樣由于 T 的正反饋又重新使 VTz 飽和,VT 截止,如此周而復始,VT;和 VTz 交替飽和、截止,使電路進入振蕩工作狀態,通過 L 和 Cz 組成的諧振電路發生串聯諧振,在諧振電容 Cz 的兩端產生一個高電壓脈沖加到燈管兩端,使燈管啟動進入工作狀態。
電子鎮流器電路作用
電子鎮流器(Electronic ballast),是鎮流器的一種,是指采用電子技術驅動電光源,使之產生所需照明的電子設備。與之對應的是電感式鎮流器(或鎮流器)。現代日光燈越來越多的使用電子鎮流器,輕便小巧,甚至可以將電子鎮流器與燈管等集成在一起,同時,電子鎮流器通常可以兼具啟輝器功能,故此又可省去單獨的啟輝器。電子鎮流器還可以具有更多功能,比如可以通過提高電流頻率或者電流波形(如變成方波)改善或消除日光燈的閃爍現象;也可通過電源逆變過程使得日光燈可以使用直流電源。傳統電感式整流器的一些缺點使它正在被日益發展成熟的電子鎮流器所取代。
烜芯微專業制造二極管,三極管,MOS管,橋堆等20年,工廠直銷省20%,4000家電路電器生產企業選用,專業的工程師幫您穩定好每一批產品,如果您有遇到什么需要幫助解決的,可以點擊右邊的工程師,或者點擊銷售經理給您精準的報價以及產品介紹
烜芯微專業制造二極管,三極管,MOS管,橋堆等20年,工廠直銷省20%,4000家電路電器生產企業選用,專業的工程師幫您穩定好每一批產品,如果您有遇到什么需要幫助解決的,可以點擊右邊的工程師,或者點擊銷售經理給您精準的報價以及產品介紹