電路中加上拉電阻或下拉電阻的目的是確定某個狀態電路中的高電平或低電平。下面舉幾個例子進行講解:
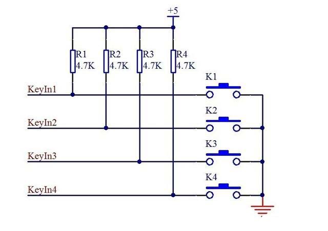
按鍵檢測中的上拉電阻


增加上拉電阻的目的是使當按鍵斷開時,KeyIn1處于高電平狀態,若無上拉,懸空,狀態無法確定。斷開為1,閉合為0,數字邏輯關系明確。
比較器輸出加上拉電阻


當比較器反相輸入端電壓>同相輸入端電壓時,比較器輸出低電平(地),沒問題;
當比較器反相輸入端電壓<同相輸入端電壓時,若無上拉電阻,比較器是不會輸出高電平的,而是相當于懸空狀態的導線,只有增加上拉電阻才會輸出高電平。
三極管、MOS管等控制端上拉或下拉


三極管和MOS管當開關使用時,控制端加上拉或下拉電阻的目的是當沒有輸入信號時,使控制極處于穩定電平狀態,確保三極管或MOS管截止。
還有處理器IO口、光耦輸出、某些反相器等增加上拉或下拉電阻的目的也是一樣的,為了確定電平狀態。
烜芯微專業制造二極管,三極管,MOS管,橋堆等,20年,工廠直銷省20%,1500家電路電器生產企業選用,專業的工程師幫您穩定好每一批產品,如果您有遇到什么需要幫助解決的,可以直接聯系上方的聯系號碼或加QQ,由我們的銷售經理給您精準的報價以及產品介紹
烜芯微專業制造二極管,三極管,MOS管,橋堆等,20年,工廠直銷省20%,1500家電路電器生產企業選用,專業的工程師幫您穩定好每一批產品,如果您有遇到什么需要幫助解決的,可以直接聯系上方的聯系號碼或加QQ,由我們的銷售經理給您精準的報價以及產品介紹