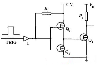
驅動電路由緩沖器U、電阻R2 及1 對小功率場效應對管Q1 、Q2 組成。當控制信號為低電平時,同向緩沖器U 輸出低電平,使得與+ 9 V 電源相聯的P 溝道場效應管Q2 導通,與地相聯的N 溝道場效應管Q3 截止,絕緣柵場效應管Q1的柵極為高電平, N 溝道絕緣柵場效應管Q1 導通; 當控制信號為高電平時, 同向緩沖器U 輸出高電平, 使得與+ 9 V 電源相聯的P 溝道場效應管Q2 截止, 與地相聯的N 溝道場效應管Q3 導通, 絕緣柵場效應管Q1 的柵極為低電平, 絕緣柵場效應管Q1 管截止。電阻R2 是集電極開路同向緩沖器U 的上拉電阻。

烜芯微專業(yè)制造二極管,三極管,MOS管,橋堆等,20年,工廠直銷省20%,1500家電路電器生產企業(yè)選用,專業(yè)的工程師幫您穩(wěn)定好每一批產品,如果您有遇到什么需要幫助解決的,可以直接聯系上方的聯系號碼或加QQ,由我們的銷售經理給您精準的報價以及產品介紹