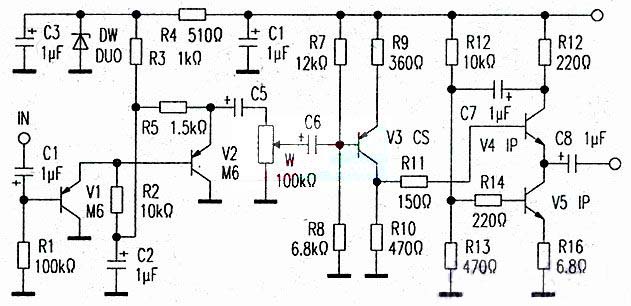
偶得一塊小巧別致的全貼片元件電路板,經剖析為單聲道前置放大器。最大的亮點是,利用射極輸出器輸出阻抗低的特點,在輸出端運用單端推挽電路,是一般射極輸出電路所難做到的。
電路分析見圖:輸八級由V1、V2兩級射極輸出電路組成。整個電路阻抗決定于偏流電阻R1與V1輸人阻抗的并聯值。V1的輸人阻抗近似等于β1×RL1,β1是V1的電流放大系數,RL1是V1的等效負載。顯然,同樣都是射極輸出器,但V2的作用是讓V1能有一個較高的負載阻抗,從而使整個電路具有更高的輸入阻抗。為了確保V1和V2的工作點穩定,輸入電路經DUO穩壓后供給+18V電壓。就直流而言,R2、R3在V1的發射極回路中.R3、R5在V2的發射極回路中,它們都具有直流負反饋的作用,使靜態工作點更趨穩定。V3是中間放大器,與V4和V5組成單端推挽輸出電路。V3的集電極負載在設計時R10和R11取值較大,主要提高電路的電壓增益,電路的輸出阻抗亦增大。V4、V5為輸出級,為了使VCC(24v)的直流電壓能平均分配到兩只管子上,V5的集電極電位應在+12v,可通過調整R8阻值來實現。為了使輸出電壓具有一定幅變,防止大信號時產生截止失真,V4、V5靜態集電極電流為29mA,在R16上直流壓降剮好為0.2V。
根據電路仿制雙聲道前置放大器,用常見元件,經試用,其效果可以和經典的馬蘭士PM前置放大器媲美。
注意,晶體管應全部采用高頻三極管。V1和V2應選用PNP型硅管,V1 β值為250,V2 β值為200。β值不宜太大,否則電路穩定性變差,如9015等。V3的β值應取150,因靜態工作電流達20mA,應選中功率管,如3CG120等。V4、V5的β值應取100,應選用中功率管,如3DG130等。穩壓管應選用18v的穩壓值。阻、容無特殊要求。
烜芯微專業制造二極管,三極管,MOS管,橋堆等,20年,工廠直銷省20%,1500家電路電器生產企業選用,專業的工程師幫您穩定好每一批產品,如果您有遇到什么需要幫助解決的,可以直接聯系上方的聯系號碼或加QQ,由我們的銷售經理給您精準的報價以及產品介紹
