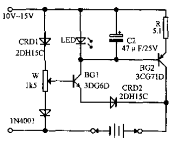
該恒流充電器使用了一只恒流二極管,電路見下圖:

工作原理:
充電開始時,電池電壓較低,三極管BG1基極電位較高,致使恒流二極管2DH15C導通,BG1集電極產生一個恒定的電流IC1流過發光二極管LED,LED發光,其正向壓降約1.5V,為三極管BG2提供一個穩定的基極電位,于是BG2產生一個恒定的集電極電流IC2,此時IC1、IC2共同組成充電電流對電池充電。當電池電壓升高到預定值時,三極管BG1、恒流二極管2DH15C截止,電路停止對電池充電。
電位器W用于調節充電器的充電截止電壓,此值不應高于電池的充電限制電壓。
烜芯微專業制造二極管,三極管,MOS管,橋堆等20年,工廠直銷省20%,4000家電路電器生產企業選用,專業的工程師幫您穩定好每一批產品,如果您有遇到什么需要幫助解決的,可以點擊右邊的工程師,或者點擊銷售經理給您精準的報價以及產品介紹
烜芯微專業制造二極管,三極管,MOS管,橋堆等20年,工廠直銷省20%,4000家電路電器生產企業選用,專業的工程師幫您穩定好每一批產品,如果您有遇到什么需要幫助解決的,可以點擊右邊的工程師,或者點擊銷售經理給您精準的報價以及產品介紹