電源是PCB板的重要部分,每個芯片都需要電源供給。芯片其實是挺脆弱的,只要正負接反得話,大多數就會掛掉,相信很多人都有慘痛經歷,我也不例外,從開始到現在估計也廢了好幾百RMB。大多數反接的情況其實是可以避免的,所以要想辦法防止電源反接。
防止DC電源輸入反接的4種方法:
1. 串聯1只二極管。優點是電路簡單、可靠。但有0.7V的壓降。
2. 串聯4只二極管的全橋。優點是無論正接、反接,電源都能正常工作。缺點是要損失1.2V ~1.4V的電壓。
3. MOS管型防反接保護電路。MOS管通過S管腳和D管腳串接于電源和負載之間,電阻Rg為MOS管提供電壓偏置,利用MOS管的開關特性控制電路的導通和斷開,從而防止電源反接給負載帶來損壞。解決了現有采用二極管電源防反接方案存在的壓降和功耗過大的問題。
4. 串聯自恢復保險,在保險后面的電源正、負極反向并聯1只二極管。優點輸入電壓沒有損耗。缺點是成本較高。當然亦可把自恢復保險換成普通保險絲。這樣材料成本雖然降低,但維護成本反而大大增加。
通常情況下直流電源輸入防反接保護電路是利用二極管的單向導電性來實現防反接保護。如下圖1示:


圖1. 二極管型防反接保護電路
實際應用中二極管防反接電路一般采用圖2的接法,這種防反接電路的優點是電路簡單,成本較低,無損耗,但反接會燒保險,使用成本高。


圖2.二極管型防反接保護電路應用
MOS管的G管腳通過Rg2接MOS管的D管腳,并通過Rg1接電源端。兩個電阻為MOS管提供電壓偏置可以起到分壓,使到達柵極電壓降低,到達安全電壓。增加輸入回路軛流電感L和EMC吸收電容是防止從后端電路返回的干擾惡化防反接管HS50N06的工作狀態。通過反復試驗證明,Rg2下拉電阻非常重要。正常工作時,開關管DC/DC的紋波達到30V左右。如果Q1柵極有下拉電阻,可以起到分壓,使到達柵極電壓降低,到達安全電壓。




圖3.MOS管型防反接保護電路的實際應用
對于二極管防反接法,可以用肖特基二極管SBD(Schottky Barrier Diode)代替普通的二極管。肖特基二極管的優點在于正向偏置電壓較低,這樣的話損失的壓降小。


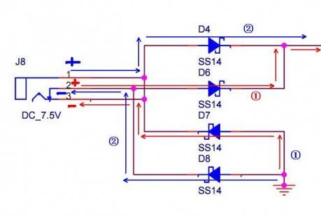
整流橋式防護電路。無論輸入電源正接還是反接,都可以正向導通。




1、3腳是連在一起的。
當2腳接正(+),3腳/1腳接負(-)時,①通道導通(D6、D7正向導通,D4、D8反向截止)。
當2腳接負(-),3腳/1腳接正(+)時,②通道導通(D4、D8正向導通,D6、D7反向截止)。
在這種整流橋式的防護電路中用的比較多的肖特基二極管是SS14。同系列的有SS12、S13、S14、S15、S16、SS18、S100。后面一個數值分別表示反向耐壓值(Maximum Repetitive Reverse Voltage),SS12反向耐壓為20V,S100反向耐壓值為100V
烜芯微專業制造二極管,三極管,MOS管,橋堆等20年,工廠直銷省20%,4000家電路電器生產企業選用,專業的工程師幫您穩定好每一批產品,如果您有遇到什么需要幫助解決的,可以點擊右邊的工程師,或者點擊銷售經理給您精準的報價以及產品介紹
烜芯微專業制造二極管,三極管,MOS管,橋堆等20年,工廠直銷省20%,4000家電路電器生產企業選用,專業的工程師幫您穩定好每一批產品,如果您有遇到什么需要幫助解決的,可以點擊右邊的工程師,或者點擊銷售經理給您精準的報價以及產品介紹