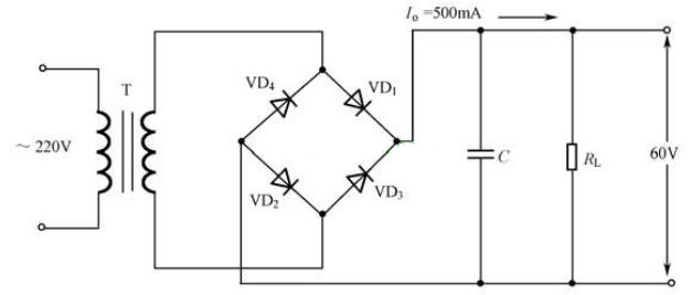
在對整流二極管進行電路設計時,選擇性能參數合適的整流二極管是非常重要的,以實際設計電路為例子。


由圖可知,交流輸入端為:220V/50HZ,要求整流輸出的直流電壓為UO=60V,負載電流為IO=500mA;下面是兩種計算方式:
1.計算流過整流二極管的直流電流
由于采用的是二極管橋式整流電路,每對二極管通過的電流應為負載電流的二分之一,每對中的兩只二極管是串聯關系,每只二極管通過的電流也為負載電流的1/2,故所選用二極管的正向電流ID應為;


2.計算整流二極管的最大反向電壓URM
首先應確定滿足45V輸出直流電壓情況下的變壓器次級交流電壓的有效值E2,根據濾波電容對電壓提升的經驗公式,UO與E2的計算表達式如下:
整流二極管的最大相反電壓URM計算為:


根據計算結果ID與URM的值,選用二極管手冊中與計算值向上接近的管子即可。
整流二極管的質量判斷:
結型二極管性能質量的判斷主要可以分為下面幾類:
1.器件測試方法
用萬用表對結型二極管器件的測試如下圖:


測試時采用如圖所示的正向接法與對調紅,黑表反向接法,測試結果如下圖:


注:在反向接法進行“二極管”檔測試時,雖然二極管反向漏電極小,但由于反向電阻很大,根據歐姆定律U=IR,使得二極管兩端的反向電壓仍比較大,一般為3V左右,但為什么“顯示無反應”呢?這是因為子啊設計數字萬用表的“二極管”檔時,為了方便判斷對二極管極性的測試,特意將此檔采用2V量,使在反極性測試時因實測電壓3>2V而過載,所以這是顯示無反應,顯示屏仍顯示過載。無疑這對準確判斷二極管的極性,極間短路,開路提供了方便。
2.性能質量測試范例
測試的目的主要有三個:
-判斷其是否因過電壓而被擊穿短路
-是否因過電流而致使內部PN結開路
-是否工作在臨界使用功率下使其過熱而性能變劣
以上三種情況都是可以使得二極管在電路中喪失正常功能而導致電路故障的。
以上電路在測試之前,首先應對二極管所在電路的工作原理有比較清楚的了解,比如:這個二極管在該電路中起整流作用,還是起鉗位,限幅,偏置,保護或者是其他的作用,還應該對二極管的工作電壓與電流性質,大小,方向做到心中有數。只有這樣,檢測工作才能胸有成竹。
在測試過程中要對周圍相關元器件的位置和連接關系做一下分析,基本確定它們對二極管測量結果會產生什么影響。如上圖,對于二極管VD1來說,電阻R1,R3串聯后為23KΩ與VD1并聯。而VD1的正向電阻為18KΩ,這時對其正向電阻的測量值RAB≈10KΩ正常(此時因靜態下兩三極管內阻很大,無需考慮);而反向電阻的測量因VD1正常時使其反向電阻很大。應為R1,R3的串聯值、即RBA≈23KΩ為正常。若測量結果;RAB≈RBA≈23KΩ。說明VD1開路;RAB=RBA=0,則說明VD1擊穿,對于二極管VD2來說,情況稍有不同,由于一電容相隔,對VD2的靜態測量就直觀和簡單多了。
對于橋式整流電路測試常會遇到,如果保險絲完好,一般可以為橋路四個二極管無一損壞,用數字萬用表可單獨對每個管子進行常規檢測。如果熔斷器已燒斷,在已確認與負載無關的情況下基本可以斷定某對整流二極管損壞,測量時會發現有一堆管子短路。
以上就是關于整流二極管計算和質量判斷的說明,希望能夠給您帶來一些幫助。
烜芯微專業制造二極管,三極管,MOS管,橋堆等20年,工廠直銷省20%,4000家電路電器生產企業選用,專業的工程師幫您穩定好每一批產品,如果您有遇到什么需要幫助解決的,可以點擊右邊的工程師,或者點擊銷售經理給您精準的報價以及產品介紹