2V的輸入電壓,是可以用來做5V輸出的升壓電路,但是2V的供電設備很少,不知道還有什么東西是2V電壓的,還需要升壓到5V的電路系統。
兩款2V升5V的芯片電路圖:
第1, PW5100升壓芯片,輸出電流可達500MA。高效率,低功耗10uA的。PW5100外圍簡潔,僅需要2個貼片電容,一個貼片電感(1uh-4.7uh)即可
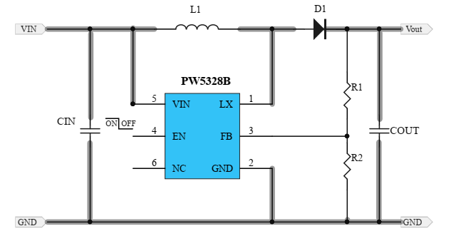
第2, PW5328B升壓芯片,輸出電流可達1A,異步升壓,帶肖特基二極管,輸入電壓范圍很寬2V-24V之間。

烜芯微專業制造二極管,三極管,MOS管,橋堆等20年,工廠直銷省20%,4000家電路電器生產企業選用,專業的工程師幫您穩定好每一批產品,如果您有遇到什么需要幫助解決的,可以點擊右邊的工程師,或者點擊銷售經理給您精準的報價以及產品介紹

