這里主要講解壓降的含義,如何測量以及具有標準壓降和極低壓降的LDO之間的差異。
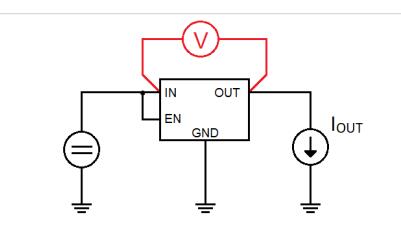
LDO必須具有比壓降參數更高的裕量VIN – VOUT。壓降是LDO正常運行的最關鍵參數之一。壓降是LDO需要適當調節的VDO = VIN – VOUT,NOM的差。VOUT,NOM是LDO處于穩壓狀態時在輸出端的輸出電壓標稱值。壓降值通常在VOUT低于標稱值(約3%)或100 mV時測量。當VOUT下降時,如約100mV,很容易測量該值。通常針對標稱輸出電流測量壓降參數,因為壓降是在VOUT下降(比VOUT,NOM低約3%)時測量的。因此,必須在灌電流模式下將輸出連接到電流源,例如,將有源負載連到恒定灌電流。如果電阻連接到輸出,則負載輸出電流將減小,并且測量無效,請參見下圖。


圖1 (壓降區域和穩壓區域)


圖2 (壓降值的測量)
LDO應該在VIN和VOUT 之間有一個電壓差,并具有較高的VDO 壓降值,以實現好的動態性能。
大多數LDO有導通器件P溝道MOSFET(PMOS),這對于較低的輸出電壓來說有點不利。當標稱輸出電壓VOUT,NOM較低時,帶PMOS導通器件的LDO的壓降VDO會增加。舉例來說,請看下表,假設我們用的是安森美半導體的NCP161。可以看到1.8 V選項的壓降值遠高于3.3 V選項。
PMOS器件LDO有缺點,因為它們具有相當高的最小輸入電壓VIN,MIN。比如說,安森美半導體的NCP110也是PMOS器件LDO,VIN超低。VIN,MIN = 1.1V。NCP110的最低輸出電壓選項0.6 V的壓降值為500 mV。
如果要求非常低的壓降或接近0 V的輸出電壓選項,則可以使用偏置軌LDO。這種LDO有導通器件N溝道MOSFET(NMOS),它需要連接比VOUT高約1 V – 2 V的輔助電源VBIAS,以實現極低的壓降。偏置軌LDO與普通LDO的結構相同,但內部模塊(除導通器件的所有器件)的電源未連接至VIN。它單獨作為次級電源。像安森美半導體的NCP130、NCP134、NCP137和NCP139。與帶PMOS導通器件的LDO相比,帶NMOS導通器件的LDO具有幾乎不受輸出電壓影響的壓降。
這些器件在額定輸出電流下的VDO壓降值在40 mV?150 mV范圍內。但是必須如上所述連接VBIAS電壓,否則由于伏特單位,壓降會高得多。在下圖中,可以看到當VBIAS - VOUT差減小時,NCP134的壓降會怎樣,這樣,VBIAS電壓不夠高。


圖3 (NCP134的壓降取決于VBIAS - VOUT)
也可以使LDO帶導通器件NMOS但不提供VBIAS電源。有一個電荷泵用于為內部模塊供電。電荷泵器件從VIN電源產生高兩倍的內部VBIAS電壓。


圖4(NCP134和NCP161的壓降差)
在圖4中,可看到帶PMOS導通器件的LDO和帶NMOS導通器件的LDO的壓降差。帶PMOS導通器件的LDO通常在零輸出電流時具有非零壓降值。 LDO壓降的這一部分是內部參考電壓的壓降。第二部分是通過導通器件的尺寸設置的壓降。帶NMOS導通器件的LDO具有由VBIAS電壓提供的內部基準。因此,它沒有第一部分。帶NMOS導通器件的LDO壓降僅通過導通器件的尺寸設置。
烜芯微專業制造二極管,三極管,MOS管,橋堆等20年,工廠直銷省20%,4000家電路電器生產企業選用,專業的工程師幫您穩定好每一批產品,如果您有遇到什么需要幫助解決的,可以點擊右邊的工程師,或者點擊銷售經理給您精準的報價以及產品介紹
烜芯微專業制造二極管,三極管,MOS管,橋堆等20年,工廠直銷省20%,4000家電路電器生產企業選用,專業的工程師幫您穩定好每一批產品,如果您有遇到什么需要幫助解決的,可以點擊右邊的工程師,或者點擊銷售經理給您精準的報價以及產品介紹