判定MOS管的帶載能力的方法
MOS管簡單模型

MOS管的帶載能力與漏源電流和內阻息息相關。漏源電流越大,內阻越小,MOS管的帶載能力越強。分析如下:
MOSFET在導通之后,其特性可以近似認為是一個電阻,VCC→RDS(on) →RL→GND形成回路。

按照電阻分壓原理,串聯電路中的分壓與阻值成正比,電阻值越大分得的電壓越多。
所以內阻越小,它在同樣的電源消耗條件下對于相同阻抗的負載來說所分走并消耗在自身上的電壓越低,而負載上的電壓越高,可以帶起功率更大的負載來。
內阻越大,管子自身消耗的功率越多,管子越容易發熱,壽命變短,甚至炸裂。內阻越小,負載產生的分壓越多,獲得的能量就越大,說明帶載能力越強,所以一般選用內阻較低的MOS管。
當驅動電壓為10V,導通電阻為0.12Ω。內阻RDS(on)跟什么有關呢?
1.MOS的導通電阻隨溫度上升而上升,下圖顯示該MOS的導通電阻在結溫為130℃的時候,為20℃時候的2倍。

2.從下圖可以看到,驅動電壓越高,實際上導通電阻略大,而且最大導通電流也略大。根據經驗,一般Vgs設為12V左右。

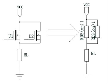
如何增強MOS管的帶載能力呢?除了選擇本身漏源電流比較大MOS管外,還可以采用MOS管并聯的方式。

并聯時自動均流,相當于把原來的電流平均分成兩等分,分別加在兩個MOS管上。也可以理解為并聯后內阻減小為原來的一半,可以驅動更重的負載。
一般大功率的功放用MOSFET管,因為它的內阻更小。反過來說的話,如果負載內阻小了,那么如果放大器輸出阻抗不變的話,放大器末級管子所分得的電壓比例就會上升;
所以現在的音響正是因為有了低內阻的MOS管,才得以向小阻抗的負載發展,以得到更好的動態效果。
帶載能力
帶負載能力如是指電路中的,那就是和它的最大輸能力有關,并還要進行最適宜的阻抗匹配,也就是盡量做到外阻抗正好等于內阻抗時才可達到最大出功率。
一般的測量是看它的失真度,也可這說,同一電路在外條件(器件功率,耐壓,散熱,電源,激勵,……)都夠時那電源電壓越高它的帶負載能力越大。
電路中帶載是指明確了某一輸出(某個元件看作負載),能夠滿足此元件工作要求的能力,比如電壓、電流的能力稱為帶載能力。
烜芯微專業制造二極管,三極管,MOS管,橋堆等20年,工廠直銷省20%,4000家電路電器生產企業選用,專業的工程師幫您穩定好每一批產品,如果您有遇到什么需要幫助解決的,可以點擊右邊的工程師,或者點擊銷售經理給您精準的報價以及產品介紹
烜芯微專業制造二極管,三極管,MOS管,橋堆等20年,工廠直銷省20%,4000家電路電器生產企業選用,專業的工程師幫您穩定好每一批產品,如果您有遇到什么需要幫助解決的,可以點擊右邊的工程師,或者點擊銷售經理給您精準的報價以及產品介紹