mos管如何并聯使用?
并聯是元件之間的一種連接方式,其特點是將2個同類或不同類的元件、器件等首首相接,同時尾尾亦相連的一種連接方式。通常是用來指電路中電子元件的連接方式,即并聯電路。
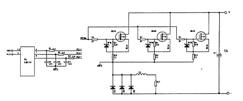
MOS管并聯方法電路圖

MOS管并聯工作原理
場效應管并聯,在圖1中,采用對每個并聯的MOS管單獨實限流技術來限制流過每個MOS管的電流。具體方法如下:
在每個MOS管串聯作電流檢測用的采樣電阻(圖中的RlO、Rll、R12),實時對流過每個MOS管的電流進行監測。3路分流器的采集信號均送人4比較器LM339,作為判斷是否過流的依據:只要流過任何一個MOS管的電流超過對其所限定的電流保護值,則控制回路依據送出的過流保護信號馬上限制驅動脈沖的開度,保證當前流過每個MOS管的電流不超過所限定的電保護值。
在圖1中,如果在PWNin驅動脈沖加入后,假定MOS1先開通,MOS2、MOS3暫時未開通,則電流只能先流過MOS1,而且電流被限制在其限制值以內;接著MOS2又開通,則部分原先流過MOS1的電流會被分流到MOS2,必然引起流過MOS1的電流小于其限制值,于是過流信號消失,PWNin驅動脈沖開度加大,直至電流重新到達MOS1或MOS2的電流限制點后,PWNin驅動脈沖才會停止增加。以后MOS3導通的又重復上述的電流分配過程,直至到達新的電流平衡。同理,可分析MOS管任何時刻單個或多個導通時電流的自行分配過程。

1、場效應管并聯,飽和壓降VDs或導通RDSon:對所有并聯的MOS管而言,導通時其管壓降是相同的,其結果必然是飽和電壓小的MOS管先流過較大的電流,隨著結溫的升高,管壓降逐漸增大,則流過管壓降大的MOS管的電流又會逐漸增大,從而減輕管壓降小的MOS管的工作壓力。因此,從原理上講,由于N溝道功率型MOS管的飽和壓降VDs或導通電阻RDSon具有正的溫度特性,是很適合并聯的。
2、開啟電壓VGS(th):在同一驅動脈沖作用下,開啟電壓VGS(th)的不同,會引起MOS管的開通時刻不同,進而會引起先開通的MOS管首先流過整個回路的電流,如果此時電流偏大,不加以限制,則對MOS管的安全工作造成威脅;
3、開通、關斷延遲時間Td(on)、td(off);開通上升、關斷下降時間tr、tf:同樣,在同一驅動脈沖作用下,td(on)、td(off)、tr、tf的不同,也會引起MOS管的開通/關斷時刻不同,進而會引起先開通/后關斷的MOS管流過整個回路的電流,如果此時電流偏大,不加以限制,則同樣對MOS管的安全工作造成威脅。
4、驅動極回路的驅動輸入電阻、等效輸入電容、等效輸入電感等,均會造成引起MOS管的開通/關斷時刻不同。從上所述,可以看出,只要保證無論在開通、關斷、導通的過程流過MOS管的電流均使MOS管工作在安全工作區內,則MOS管的安全工作得到保障。為此,本文提出一種MOS管的新的并聯方法,著重于均流方面的研究,可有效的保證MOS管工作在安全工作區內,提高并聯電路的工作可靠性。
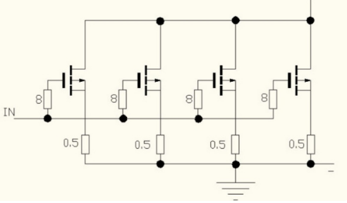
場效應管怎樣使用多管并聯
1、在各管輸入端串接一bai個8歐左右的小電du阻,然后并連在一起接到zhiIN(信號輸入端)。
2、S極的小dao電阻可以不要。
3、將各管D極并連后接負載。場效應管是正溫度系數元件,能夠自動均衡電流,因此多管并聯擴流是可以不加均衡電阻的。而雙極型晶體管是負溫度系數,是必須加均流電阻的。

場效應管具有如下特點。
(1)場效應管是電壓控制器件,它通過VGS(柵源電壓)來控制ID(漏極電流);
(2)場效應管的控制輸入端電流極小,因此它的輸入電阻(107~1012Ω)很大。
(3)它是利用多數載流子導電,因此它的溫度穩定性較好;
(4)它組成的放大電路的電壓放大系數要小于三極管組成放大電路的電壓放大系數;
(5)場效應管的抗輻射能力強;
(6)由于它不存在雜亂運動的電子擴散引起的散粒噪聲,所以噪聲低。
并聯判斷方法怎樣判斷電路中用電器之間是串聯還是并聯?
場效應管并聯,串聯和并聯是電路連接兩種最基本的形式,它們之間有一定的區別。要判斷電路中各元件之間是串聯還是并聯,就必須抓住它們的基本特征,具體方法是:(1)用電器連接法:分析電路中用電器的連接方法,逐個順次連接的是串聯;并列在電路兩點之間的是并聯。(2)電流流向法:當電流從電源正極流出,依次流過每個元件的則是串聯;當在某處分開流過兩個支路,最后又合到一起,則表明該電路為并聯。
(3)去除元件法:任意拿掉一個用電器,看其他用電器是否正常工作,如果所有用電器都被拿掉過,而且其他用電器都可以繼續工作,那么這幾個用電器的連接關系是并聯;否則為串聯。(4)用筆畫線代替導線,能用一根導線將所有用電器連起來即為串聯,不能則為并聯。
烜芯微專業制造二極管,三極管,MOS管,橋堆等20年,工廠直銷省20%,4000家電路電器生產企業選用,專業的工程師幫您穩定好每一批產品,如果您有遇到什么需要幫助解決的,可以點擊右邊的工程師,或者點擊銷售經理給您精準的報價以及產品介紹
烜芯微專業制造二極管,三極管,MOS管,橋堆等20年,工廠直銷省20%,4000家電路電器生產企業選用,專業的工程師幫您穩定好每一批產品,如果您有遇到什么需要幫助解決的,可以點擊右邊的工程師,或者點擊銷售經理給您精準的報價以及產品介紹