MOS管熱阻參數解讀(熱阻、輸入輸出電容及開關時間)
以下用到的SPEC參數是Rohm的NMOS管RE1C001UN
定義:熱阻指的是當有熱量在物體上傳輸時,在物體兩端溫度差與熱源的功率之間的比值,單位是℃/W或者是K/W。半導體散熱的三個途徑,封裝頂部到空氣,封裝底部到電路板,封裝引腳到電路板。
熱阻的計算

Tj:芯片結溫,Ta:芯片環境溫度,熱阻ThetaJA = (Tj-Ta)/P
還有一些其他的熱阻參數如下:
ThetaJA=(Tj-Ta)/P,結到空氣環境的熱阻。
ThetaJC=(Tj-Tc)/P,結到封裝外殼的熱阻,一般而言是到封裝頂部的熱阻,所以一般的,ThetaJC = ThetaJT
ThetaJB=(Tj-Tb)/P,結到PCB的熱阻。
ThetaJA參數綜合了Die的大小, 封裝方式,填充材料,封裝材料,引腳設計,外部散熱片和外部電路板的屬性多個因素,綜合來講ThetaJA和用的器件以及PCB設計有關。ThetaJC和ThetaJB這2個參數是表征芯片和封裝本身的,不會隨著芯片封裝外部環境的改變而改變。
MOS管熱阻參數解讀
Power dissipation:功率損耗,指的是NMOS消耗功率不能超過150mW
Junction temperature:結溫,結面溫度,指的是NMOS最高結溫不能超過150℃
Thermal resistance:熱阻,如下的833℃/W指的是NMOS結面相對于環境溫度的熱阻是833℃/W,假如器件消耗的功率是1W,那溫升就是833℃

當NMOS工作在最大功率150mW,那NMOS結到空氣的溫度就是150/1000*833≈125℃,芯片結溫就是125+25=150℃
MOS管電容
輸入電容Ciss,指的是DS短接,用交流信號測得的GS之間的電容,Ciss由GS電容和GD電容并聯而成,即Ciss=Cgs+Cgd,當輸入電容充電至閾值電壓,MOS管才打開,放電至一定的值,MOS管才關閉,所以Ciss和MOS管的開啟關閉時間有很大的關系。
輸出電容Coss,指的是GS短接,用交流信號測得的DS之間的電容,Coss由GD電容和DS電容并聯而成,即Coss=Cgd+Cds
反向傳輸電容Crss,指的是S接地,GD之間的電容,即Crss=Cgd
MOS管關閉下,Cgs要比Cgd大得多,Cgd=1.7pF,那Cgs=7.1-1.7=5.4pF

從SPEC給的圖看,3個電容的大小和DS電壓有很大關系,尤其是Coss和Crss

有的一些MOS管SPEC中還有如下的Qg,Qgs,Ggd,指的是充滿這些電容所需要的電荷數,所需要的充電電荷數越少,MOS管開關速度就越快。

MOS管關閉下,Cgs要比Cgd大的多,但是發現Qgd比Qgs大得多,這是受到米勒電容的影響

MOS管的開關時間
結合一下圖片理解MOS管的開關時間。
最左邊綠色部分,ID和UD幾乎不變,因為這時候UGS沒有上升到閾值電壓,MOS管是關閉狀態,把UGS從0增大到閾值電壓前這段時間叫Turn-on delay time。緊接著紫色部分,當UGS上升到閾值電壓后,隨著UGS再繼續增大,ID也逐漸增大,UD逐漸減小,直到ID到最大值,UD到最小值,這段時間叫Rise time。
同理,MOS管在關閉時,UGS沒有下降到閾值電壓,ID和UD都是不變的,把UGS下降到閾值電壓前這段時間叫Turn-off delay time,隨著UGS逐漸減小,ID減小到最小值,UD增大到最大值,這段時間叫Fall time。

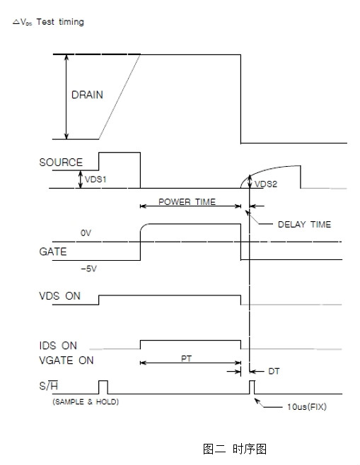
MOS管熱阻測試原理
熱阻是依據半導體器件PN結在指定電流下兩端的電壓隨溫度變化而變化為測試原理,來測試功率半導體器件的熱穩定性或封裝等的散熱特性,通過給被測功率器件施加指定功率、指定時間,PN結兩端的電壓變化(△VBE/△VF/△VGK/△VT/△VSD)作為被測器件的散熱判據。并與指定規范值比較,根據測試結果進行篩選,將散熱性差的產品篩選掉,避免散熱性差的產品在應用過程中,因溫升過高導致失效。
MOS熱阻測試是通過測試MOS體二極管兩端電壓變化△VSD來實現的,先后分別測試MOS管MOS體二極管正向壓降Vsd1(加熱前)和Vsd2(加熱后)。步驟:1、MOS加熱前,先測量讓MOS體二極管以Is電流(Is=10mA)流動時的Vsd1值,原理圖見下圖-左;2、給MOS管Vgs加壓,讓MOS以ID電流開通PT時間,加熱MOS管,原理圖見下圖-中;3、再測量讓MOS體二極管以Is電流(Is=10mA)流動時的Vsd2值,原理圖見下圖-右;4、DVDS=Vsd1-Vsd2,DVDS?正常合格范圍為45~85mV;


烜芯微專業制造二極管,三極管,MOS管,橋堆等20年,工廠直銷省20%,4000家電路電器生產企業選用,專業的工程師幫您穩定好每一批產品,如果您有遇到什么需要幫助解決的,可以點擊右邊的工程師,或者點擊銷售經理給您精準的報價以及產品介紹