MOSFET知識-關于MOSFET驅動電阻的選擇,圖文詳解

烜芯微專業制造二極管,三極管,MOS管,橋堆等20年,工廠直銷省20%,4000家電路電器生產企業選用,專業的工程師幫您穩定好每一批產品,如果您有遇到什么需要幫助解決的,可以點擊右邊的工程師,或者點擊銷售經理給您精準的報價以及產品介紹
關于MOSFET驅動電阻的選擇
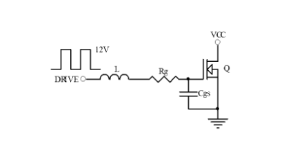
等效驅動電路:

L為PCB走線電感,根據他人經驗其值為直走線1nH/mm,考慮其他走線因素,取L=Length+10(nH),其中Length單位取mm。
Rg為柵極驅動電阻,設驅動信號為12V峰值的方波。
Cgs為MOSFET柵源極電容,不同的管子及不同的驅動電壓時會不一樣,這兒取1nF。VL+VRg+VCgs=12V
根據走線長度可以得到Rg最小取值范圍。 分別考慮20m長m和70mm長的走線: L20=30nH,L70=80nH, 則Rg20=8.94Ω,Rg70=17.89Ω, 以下分別是電壓電流波形:


可以看到當Rg比較小時驅動電壓上沖會比較高,震蕩比較多,L越大越明顯,此時會對MOSFET及其他器件性能產生影響。但是阻值過大時驅動波形上升比較慢,當MOSFET有較大電流通過時會有不利影響。
此外也要看到,當L比較小時,此時驅動電流的峰值比較大,而一般IC的驅動電流輸出能力都是有一定限制的,當實際驅動電流達到IC輸出的最大值時,此時IC輸出相當于一個恒流源,對Cgs線性充電,驅動電壓波形的上升率會變慢。
電流曲線就可能如左圖所示(此時由于電流不變,電感不起作用)。這樣可能會對IC的可靠性產生影響,電壓波形上升段可能會產生一個小的臺階或毛刺。

一般IC的PWM OUT輸出如圖所示,內部集成了限流電阻Rsource和Rsink,通常Rsource>Rsink,具體數值大小同IC的峰值驅動輸出能力有關,可以近似認為R=Vcc/Ipeak。一般IC的驅動輸出能力在0.5A左右,因此Rsource在20Ω左右。
由前面的電壓電流曲線可以看到一般的應用中IC的驅動可以直接驅動MOSFET,但是考慮到通常驅動走線不是直線,感量可能會更大,并且為了防止外部干擾,還是要使用Rg驅動電阻進行抑制。考慮到走線分布電容的影響,這個電阻要盡量靠近MOSFET的柵極。

可以看到L對上升時間的影響比較小,主要還是Rg影響比較大。上升時間可以用2*Rg*Cgs來近似估算,通常上升時間小于導通時間的二十分之一時,MOSFET開關導通時的損耗不致于會太大造成發熱問題,因此當MOSFET的最小導通時間確定后Rg最大值也就確定了,一般Rg在取值范圍內越小越好,但是考慮EMI的話可以適當取大。
以上討論的是MOSFET ON狀態時電阻的選擇,在MOSFET OFF狀態時為了保證柵極電荷快速瀉放,此時阻值要盡量小,這也是Rsink
實際使用中還要考慮MOSFET柵漏極還有個電容Cgd的影響,MOSFET ON時Rg還要對Cgd充電,會改變電壓上升斜率,OFF時VCC會通過Cgd向Cgs充電,此時必須保證Cgs上的電荷快速放掉,否則會導致MOSFET的異常導通。-MOSFET驅動電阻的選擇

MOS管柵極串聯電阻如何確定
從理論上說,MOS管的輸入電阻很大,所以這個電阻絕不是為了提升輸入電阻或者限流作用。在低頻條件下,這個電阻有點安慰性質,不接也罷。但在高頻時,情況就變了,MOSFET的輸入阻抗將降低,而且在某個頻率范圍內將變成負阻,會發生振蕩。
為改變控制脈沖的前后沿陡度和防止震蕩,減小集電極的電壓尖峰,應在柵極串上合適的電阻Rg ,當 Rg 增大時,導通時間延長,損耗發熱加劇;Rg減小時,di/dt增高,可能產生誤導通,使器件損壞。
應根據管子的電流容量和電壓額定值以及開關頻率來選取Rg的數值.通常在幾歐至幾十歐之間(在具體應用中,還應根據實際情況予以適當調整)。另外為防止門極開路或門極損壞時主電路加電損壞器件,建議在柵源間加入一電阻Rge,阻值為10kΩ左右。