一、什么是穩壓二極管
1、穩壓管簡介
穩壓管二極管的一種,它比較特殊,基本結構與普通二極管一樣,也有一個PN結。由于制造工藝的不同,當這種PN結處于反向擊穿狀態時,PN結不會損壞(普通二極管的PN結是會損壞),在穩壓二極管用來穩定電壓時就是利用它的這一擊穿特性。一般二極管反向電壓超過其反向耐壓值時會被擊穿而損壞,但是穩壓二極管在承受反向電壓達到穩壓值時,反向電流急劇增大。只要反向電流值不超過允許的最大電流,就可以正常工作,它的反向伏安特性曲線較陡、線性度很好。


2、穩壓管工作原理
如下圖是穩壓二極管伏安特性曲線圖,當電壓大達到穩壓值Uz時,曲線很陡,說明流過穩壓二極管的電流在大小變化時,穩壓二極管兩端的電壓大小基本不變,也就是說在在一定電壓范圍內,隨著流過穩壓二極管的電流變化,穩壓二極管兩端電壓大小基本保持不變,這就是穩壓二極管的工作原理,它利用的是它的反向工作特性。


3、穩壓管主要參數
①穩定電壓Uz:穩壓管反向擊穿后穩定工作時的電壓值稱為穩定電壓;②穩定電流Iz:穩壓管反向擊穿后穩定工作時的反向電流稱為穩定電流。穩壓管允許通過的最大反向電流稱為最大穩定電流,使用穩壓管時,工作電流不能超過,一般按大于2倍輸出電壓來設計;③動態電阻Rz:穩壓管在反向擊穿的曲線工作時,電壓變化量△Uz與電流變化量△I之比稱為動態電阻,動態電阻越小說明穩壓性能越好;④額定功耗Pz:由芯片允許溫升決定,它的額定值為穩定電壓Uz和允許最大電流Iz的乘積。
⑤溫度系數α:穩壓管的溫度變化會導致穩定電壓發生微小變化,因此溫度變化1℃所引起管子兩端電壓的相對變化量即是溫度系數,溫度系數越小越好,說明穩壓管受溫度影響很小。
二、穩壓二極管應用
穩壓二極管由于具有穩壓作用,因此在很多電路當中均有應用,廣泛用在穩壓電源、電子點火器、直流電平平移、限幅電路、過壓保護電路、補償電路等當中。
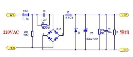
1、穩壓電路
如下圖是阻容降壓電路圖,當負載RL電流增大時,電阻R2上的壓降增大,負載電壓隨之降低,但是,只要穩壓管兩點電壓稍有下降,穩壓管電流就會顯著減小,使通過電阻R2的電流和電阻R2上的壓降基本不變,使得負載電壓也基本不變。負載電流減小時,穩壓過程則與此過程相反。


2、過壓保護
過壓有過高電壓和低電壓保護,如圖是低壓保護電路,避免負載長時間處于低壓狀態而端斷開電路,它利用的是穩壓二極管的擊穿電壓,一旦電源電壓VCC超過穩壓管擊穿電壓時,那么穩壓管就會導通,這時候觸點K吸合,繼電器接通,負載RL工作。當VCC電壓過低(沒有達到穩壓管穩定電壓值)時,觸點不動作,繼電器不會吸合。


3、溫度補償
穩壓二極管在溫度補償電路利用的是穩壓二極管的溫度系數,如下圖是用溫度互補型穩壓二極管構成的穩壓電路,采用互補型穩壓二極管對于穩壓要求較高的電路當中,特別是溫度對電壓的影響,這種具有溫度互補特性的穩壓二極管內部其實有兩只普通的穩壓二極管,但是它們的溫度特性相反,當溫度升高或下降時,一只二極管的管壓降下降,另一只二極管的管壓降升高,這樣兩只二極管總的管壓降保持不變,起到到溫度補償作用。


4、限幅電路
如下圖是反向比例電路,輸入信號加入反相輸入端,對于理想運放,該電路的輸出電壓與輸入電壓之間的關系為Vout=-R3/R1*Vin。為了防止放大器輸出電壓超過限定值,可增加穩壓管限幅,使輸出的電壓峰值被限制在穩壓管的穩定電壓值上。

烜芯微專業制造二極管,三極管,MOS管,橋堆等20年,工廠直銷省20%,4000家電路電器生產企業選用,專業的工程師幫您穩定好每一批產品,如果您有遇到什么需要幫助解決的,可以點擊右邊的工程師,或者點擊銷售經理給您精準的報價以及產品介紹

烜芯微專業制造二極管,三極管,MOS管,橋堆等20年,工廠直銷省20%,4000家電路電器生產企業選用,專業的工程師幫您穩定好每一批產品,如果您有遇到什么需要幫助解決的,可以點擊右邊的工程師,或者點擊銷售經理給您精準的報價以及產品介紹