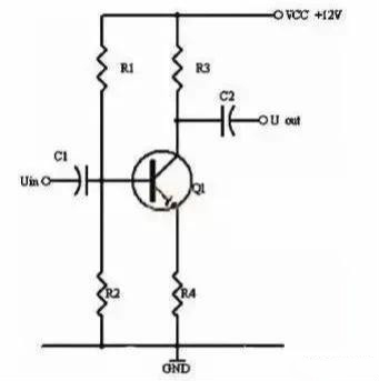
放大電路的核心元件是三極管,所以要對三極管要有一定的了解。用三極管構成的放大電路的種類較多,我們用常用的幾種來解說一下(如圖1)。圖1是一共射的基本放大電路,一般我們對放大路要掌握些什么內容?
(1)分析電路中各元件的作用;
(2)解放大電路的放大原理;
(3)能分析計算電路的靜態工作點;
(4)理解靜態工作點的設置目的和方法;
以上四項中,最后一項較為重要。


圖1中,C1,C2為耦合電容,耦合就是起信號的傳遞作用,電容器能將信號信號從前級耦合到后級,是因為電容兩端的電壓不能突變,在輸入端輸入交流信號后,因兩端的電壓不能突變因,輸出端的電壓會跟隨輸入端輸入的交流信號一起變化,從而將信號從輸入端耦合到輸出端。但有一點要說明的是,電容兩端的電壓不能突變,但不是不能變。
R1、R2為三極管V1的直流偏置電阻,什么叫直流偏置?簡單來說,做工要吃飯。要求三極管工作,必先要提供一定的工作條件,電子元件一定是要求有電能供應的了,否則就不叫電路了。
在電路的工作要求中,第一條件是要求要穩定,所以,電源一定要是直流電源,所以叫直流偏置。為什么是通過電阻來供電?電阻就象是供水系統中的水龍頭,用調節電流大小的。所以,三極管的三種工作 狀態“:載止、飽和、放大”就由直流偏置決定,在圖1中,也就是由R1、R2來決定了。
首先,我們要知道如何判別三極管的三種工作狀態,簡單來說,判別工作于何種工作狀態可以根據Uce的大小來判別,Uce接近于電源電壓VCC,則三極管就工作于載止狀態,載止狀態就是說三極管基本上不工作,Ic電流較?。ù蠹s為零),所以R2由于沒有電流流過,電壓接近0V,所以Uce就接近于電源電壓VCC。
若Uce接近于0V,則三極管工作于飽和狀態,何謂飽和狀態?就是說,Ic電流達到了最大值,就算Ib增大,它也不能再增大了。
以上兩種狀態我們一般稱為開關狀態,除這兩種外,第三種狀態就是放大狀態,一般測Uce接近于電源電壓的一半。若測Uce偏向VCC,則三極管趨向于載止狀態,若測Uce偏向0V,則三極管趨向于飽和狀態。
理解靜態工作點的設置目的和方法
放大電路,就是將輸入信號放大后輸出,(一般有電壓放大,電流放大和功率放大幾種,這個不在這討論內)。先說我們要放大的信號,以正弦交流信號為例說。在分析過程中,可以只考慮到信號大小變化是有正有負,其它不說。上面提到在圖1放大電路電路中,靜態工作點的設置為Uce接近于電源電壓的一半,為什么?
這是為了使信號正負能有對稱的變化空間,在沒有信號輸入的時候,即信號輸入為0,假設Uce為電源電壓的一半,我們當它為一水平線,作為一個參考點。當輸入信號增大時,則Ib增大,Ic電流增大,則電阻R2的電壓U2=Ic×R2會隨之增大,Uce=VCC-U2,會變小。U2最大理論上能達到等于VCC,則Uce最小會達到0V,這是說,在輸入信增加時,Uce最大變化是從1/2的VCC變化到0V。
同理,當輸入信號減小時,則Ib減小,Ic電流減小,則電阻R2的電壓U2=Ic×R2會隨之減小,Uce=VCC-U2,會變大。在輸入信減小時,Uce最大變化是從1/2的VCC變化到VCC。這樣,在輸入信號一定范圍內發生正負變化時,Uce以1/2VCC為準的話就有一個對稱的正負變化范圍,所以一般圖1靜態工作點的設置為Uce接近于電源電壓的一半。
要把Uce設計成接近于電源電壓的一半,這是我們的目的,但如何才能把Uce設計成接近于電源電壓的一半?這就是手段了。
這里要先知道幾個東西,第一個是我們常說的Ic、Ib,它們是三極管的集電極電流和基極電流,它們有一個關系是Ic=β×Ib,但我們初學的時候,老師很明顯的沒有告訴我們,Ic、Ib是多大才合適?這個問題比較難答,因為牽涉的東西比較的多,但一般來說,對于小功率管,一般設Ic在零點幾毫安到幾毫安,中功率管則在幾毫安到幾十毫安,大功率管則在幾十毫安到幾安。
在圖 1 中,設 Ic 為 2mA,則電阻 R2 的阻值就可以由 R=U/I 來計算,VCC 為 12V,則 1/2VCC為 6V,R2 的阻值為 6V/2mA,為 3KΩ。Ic 設定為 2 毫安,則 Ib 可由 Ib=Ic/β推出,關健是β的取值了,β一般理論取值 100 ,則 Ib=2mA/100=20#A ,則 R1= ( VCC-0.7V )/Ib=11.3V/20#A=56.5KΩ, 但實際上,小功率管的β值遠不止 100,在 150 到 400 之間,或者更高,所以若按上面計算來做,電路是有可能處于飽和狀態的,所以有時我們不明白,計算沒錯,但實際不能用,這是因為還少了一點實際的指導,指出理論與實際的差別。這種電路受β值的影響大,每個人計算一樣時,但做出來的結果不一定相同。也就是說,這種電路的穩定性差,實際應用較少。但如果改為圖 2 的分壓式偏置電路,電路的分析計算和實際電路測量較為接近。


在圖 2 的分壓式偏置電路中,同樣的我們假設 Ic 為 2mA, Uce 設計成 1/2VCC 為 6V。則 R1、R2、 R3、 R4 該如何取值呢。計算公式如下:因為 Uce 設計成 1/2VCC 為 6V,則 Ic×(R3+R4)=6V;Ic≈Ie??梢运愠?R3+R4=3KΩ,這樣,R3、R4 各是多少?一般 R4 取 100Ω,R3 為 2.9KΩ,實際上 R3 我們一般直取 2.7KΩ,因為 E24 系列電阻中沒有 2.9KΩ,取值 2.7KΩ與 2.9KΩ沒什么大的區別。因為 R2 兩端的電壓等于 Ube+UR4。
0.7V+100Ω×2mA=0.9V,我們設 Ic 為 2mA,β一般理論取值 100,則 Ib=2mA/100=20#A,這里有一個電流要估算的,就是流過 R1 的電流了,一般取值為 Ib 的 10 倍左右,取 IR1200#A。則 R1=11.1V/200#A≈56KΩR2=0.9V (/200-20) #A=5KΩ;考慮到實際上的β值可能遠大于 100,所以 R2 的實際取值為 4.7KΩ。這樣,R1、R2、R3、R4 的取值分別為 56KΩ,4.7KΩ,2.7KΩ,100Ω,Uce 為 6.4V。
在上面的分析計算中,多次提出假設什么的,這在實際應用中是必要的,很多時候需要一個參考值來給我們計算,但往往卻沒有,這里面一是我們對各種器件不熟悉,二是忘記了一件事,我們自己才是用電路的人,一些數據可以自己設定,這樣可以少走彎路。
烜芯微專業制造二極管,三極管,MOS管,橋堆等20年,工廠直銷省20%,4000家電路電器生產企業選用,專業的工程師幫您穩定好每一批產品,如果您有遇到什么需要幫助解決的,可以點擊右邊的工程師,或者點擊銷售經理給您精準的報價以及產品介紹
烜芯微專業制造二極管,三極管,MOS管,橋堆等20年,工廠直銷省20%,4000家電路電器生產企業選用,專業的工程師幫您穩定好每一批產品,如果您有遇到什么需要幫助解決的,可以點擊右邊的工程師,或者點擊銷售經理給您精準的報價以及產品介紹