在大功率輸出的開關電源中,PFC的效率是極其重要的,在輸入電橋中,來自AC端通過大電容的脈沖電流不僅含有基波(50-60HZ),而且含有各次諧波成分(主要是奇數倍諧波),這使得功率因數降低,通常約為。
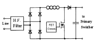
PFC(功率因數效正器)電路可解決上述的問題,如圖1所示,在典型的PFC升壓電路中,其優點如下:
體積小
輸出電壓大于輸入電壓(一般輸入)
控制過程簡單
輸入電感對AC端信號像一個濾波器
許多lC控制器可從市場得到
有或更高的PFC值
在這類電路中主要是用兩種類型,即不連續電流模式和連續電流模式,它們的主要區別是:在不連續電流模式中的MOSFET管僅在感應器電流達到零值時導通,而在連續電流模式中,MOSFET管要在感應電流上升到零值以上才導通。因此所有的反向恢復能量必須在MOSFET中被釋放。


圖1 PFC升壓電路
不連續電流模式
這種控制方法對工作于200W以下的PFC電路較適用,其主要優點是控制過程極其簡單,電路組成簡單。其較大的峰值電流使之不適用于200W以上的電路,在不連續電流模式中,二極管的開關損耗是可以忽略的,因此可用快速二極管代替超快二極管。
連續電流模式
這種控制形式普遍用于以上的電路中,當二極管被斷開時,它的前向電流可能是幾個安培,而電流斜率diF/dt很高100~250A/ms,另外MOSFET管及寄生元件組成的輸出回路像一個調諧電路(濾波器),諧振頻率由反向二極管電容量及輸出電容器的寄生參量決定。典型的諧振頻率大約為100MHz,而這將引起EMI輻射。
在這種電路中,升壓二極管是最關鍵的部件,為了避免大功率損耗及EMl(電磁干擾),必須謹慎地選擇它。
推出的Qlong™系列超快軟恢復二極管解決了這個問題,這種新型二極管的推出使PFC電路的性能大大改善了。
超快軟恢復二極管及其應用
推出Qlong™系列超快軟恢復二極管,在離線式開關電源連續模式的PFC升壓電路中,這種新型的二極管可以提高其工作效率及功率密度,這種器件的電流為8、15及30A,適用于輸出功率達15kW的PFC電路。
Qlong™系列600V超快軟恢復整流管,具有低前向電壓降和反向恢復電流(Irr)及減少傳輸和開關損耗的臨界參數值,充分運用鉑擴散的工藝過程,在很寬的溫度范圍內保證其有一個不陡峭的、釘狀光滑的反向恢復波形,這樣減少了電子輻射(見圖1、2、3、4),即其具有軟恢復波形以釋放最少的電子輻射,而且這類新型PFC二極管只有30ns的反向恢復時間(trr),增加了功率密度而使其達到高速開關速度。另外,這類器件最高結溫有175℃,為之提供了一個很寬的工作范圍。


圖2


圖3
在離線式開關電源的連續電流模式PFC升壓電路中,采用Qlong™系列的600V超快軟恢復二極管,可以降低超過30%的功率損耗(見圖5),該器件的突出優點表現為:1.超快軟恢復特性,顯著降低對磁性元件的要求和系統成本。2.軟恢復特性降低EMI,提高可靠性。3.適用于250W以上連續電流模式PFC設計。


圖4 PF二極管反向恢復電流


圖5 500W PFC升壓電路的功率損耗
結束語
在離線式開關電源的連續電流模式PFC升壓電路中,采用烜芯微的600V超塊軟恢復二極管,配合相應的功率管MOSFET使用,可以得到較高的PFC效率,減小了超過30%功率損耗,并降低了EMI而使電路的可靠性得到提高,同時減少了系統成本,使其應用得到有效的推廣。
烜芯微專業制造二極管,三極管,MOS管,橋堆等20年,工廠直銷省20%,4000家電路電器生產企業選用,專業的工程師幫您穩定好每一批產品,如果您有遇到什么需要幫助解決的,可以點擊右邊的工程師,或者點擊銷售經理給您精準的報價以及產品介紹
烜芯微專業制造二極管,三極管,MOS管,橋堆等20年,工廠直銷省20%,4000家電路電器生產企業選用,專業的工程師幫您穩定好每一批產品,如果您有遇到什么需要幫助解決的,可以點擊右邊的工程師,或者點擊銷售經理給您精準的報價以及產品介紹