所謂電平,是指兩功率或電壓之比的對數,有時也可用來表示兩電流之比的對數。電平的單位分貝用dB表示。常用的電平有功率電平和電壓電平兩類,它們各自又可分為絕對電平和相對電平兩種。
當你使用3.3V的單片機的時候,電平轉換就在所難免了,經常會遇到3.3轉5V或者5V轉3.3V的情況,這里介紹一個簡單的電路,他可以實現兩個電平的相互轉換(注意是相互哦,雙向的,不是單向的!).電路十分簡單,僅由3個電阻加一個MOS管構成。
電路圖如下:

上圖中,S1,S2為兩個信號端,VCC_S1和VCC_S2為這兩個信號的高電平電壓.另外限制條件為:
1,VCC_S1<=VCC_S2.
2,S1的低電平門限大于0.7V左右(視NMOS內的二極管壓降而定).
3,Vgs<=VCC_S1.
4,Vds<=VCC_S2
對于3.3V和5V/12V等電路的相互轉換,NMOS管選擇AP2306即可.原理比較簡單,大家自行分析吧!此電路我已在多處應用,效果很好。

I2C,類似這種吧,只是不知道這種電路的速率能達到多少。
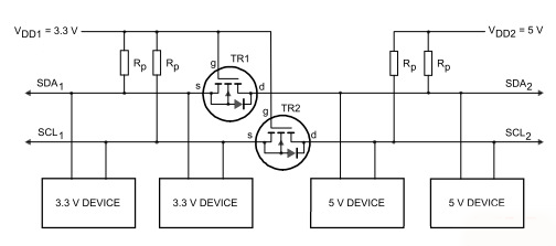
電平轉換器的操作
在電平轉換器的操作中要考慮下面的三種狀態:
1、沒有器件下拉總線線路。“低電壓”部分的總線線路通過上拉電阻Rp 上拉至3.3V。 MOS-FET 管的門極和源極都是3.3V, 所以它的VGS 低于閥值電壓,MOS-FET 管不導通。這就允許“高電壓”部分的總線線路通過它的上拉電阻Rp 拉到5V。 此時兩部分的總線線路都是高電平,只是電壓電平不同。
2、一個3.3V器件下拉總線線路到低電平。MOS-FET管的源極也變成低電平,而門極是3.3V。VGS上升高于閥值,MOS-FET管開始導通。然后“高電壓”部分的總線線路通過導通的MOS-FET管被3.3V器件下拉到低電平。此時,兩部分的總線線路都是低電平,而且電壓電平相同。
3、一個5V的器件下拉總線線路到低電平。MOS-FET管的漏極基底二極管“低電壓”部分被下拉直到VGS超過閥值,MOS-FET管開始導通。“低電壓”部分的總線線路通過導通的MOS-FET管被5V的器件進一步下拉到低電平。此時,兩部分的總線線路都是低電平,而且電壓電平相同。
這三種狀態顯示了邏輯電平在總線系統的兩個方向上傳輸,與驅動的部分無關。狀態1執行了電平轉換功能。狀態2和3按照I2C總線規范的要求在兩部分的總線線路之間實現“線與”的功能。
除了3.3V VDD1和5V VDD2的電源電壓外,還可以是例如:2V VDD1和10V VDD2。在正常操作中,VDD2必須等于或高于VDD1(在開關電源時允許VDD2低于VDD1)。
MOS-N場效應管雙向電平轉換電路--適用于低頻信號電平轉換的簡單應用

如上圖所示,是MOS-N場效應管雙向電平轉換電路。
雙向傳輸原理:
為了方便講述,定義 3.3V 為 A 端,5.0V 為 B 端。
A端輸出低電平時(0V),MOS管導通,B端輸出是低電平(0V)
A端輸出高電平時(3.3V),MOS管截至,B端輸出是高電平(5V)
A端輸出高阻時(OC) ,MOS管截至,B端輸出是高電平(5V)
B端輸出低電平時(0V),MOS管內的二極管導通,從而使MOS管導通,A端輸出是低電平(0V)
B端輸出高電平時(5V),MOS管截至,A端輸出是高電平(3.3V)
B端輸出高阻時(OC) ,MOS管截至,A端輸出是高電平(3.3V)
優點:
1、適用于低頻信號電平轉換,價格低廉。
2、導通后,壓降比三極管小。
3、正反向雙向導通,相當于機械開關。
4、電壓型驅動,當然也需要一定的驅動電流,而且有的應用也許比三極管大。
電平與電壓的關系
從電壓電平的定義就可以看出電平與電壓之間的關系,電平的測量實際上也是電壓的測量,只是刻度不同而已,任何電壓表都可以成為一個測量電壓電平的電平表,只要表盤按電平刻度標志即可,在此要注意的是電平刻度是以1 mW功率消耗于600 Ω電阻為零分貝進行計算的,即0dB=0.775V。電平量程的擴大實質上也是電壓量程的擴大,只不過由于電平與電壓之間是對數關系,因而電壓量程擴大N倍時,由電平定義可知,即電平增加20lgN(dB)。
由此可知,電平量程的擴大可以通過相應的交流電壓表量程的擴大來實現,其測量值應為表頭指針示數再加一個附加分貝值(或量程分貝值)。附加分貝值的大小由電壓量程的擴大倍數來決定。
烜芯微專業制造二極管,三極管,MOS管,橋堆等20年,工廠直銷省20%,4000家電路電器生產企業選用,專業的工程師幫您穩定好每一批產品,如果您有遇到什么需要幫助解決的,可以點擊右邊的工程師,或者點擊銷售經理給您精準的報價以及產品介紹
烜芯微專業制造二極管,三極管,MOS管,橋堆等20年,工廠直銷省20%,4000家電路電器生產企業選用,專業的工程師幫您穩定好每一批產品,如果您有遇到什么需要幫助解決的,可以點擊右邊的工程師,或者點擊銷售經理給您精準的報價以及產品介紹