
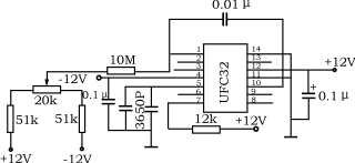
圖 壓頻轉換器原理圖
壓頻轉換器是電池容量計的核心部分,負責將放大的信號轉換為頻率信號,它的線性度和精度直接影響到整機。實現壓頻轉換的方法也有很多種。從形式上看,有分立元件和專用集成芯片兩種形式,一般的分立元件精度、體積、調整復雜程度均高于集成芯片,但其價格較低,而專用芯片在線性度、電壓穩定度、精度等指標相對可接受的價格而言有所降低。我們考慮到體積和充放電全程跟蹤及性能價格比的問題,選擇了VFC32為電壓頻率轉換器件,該器件較好的線性度為全程跟蹤精度提供了保證,并以較少的元件使體積縮小,電路原理見圖。
烜芯微專業制造二極管,三極管,MOS管,橋堆等20年,工廠直銷省20%,4000家電路電器生產企業選用,專業的工程師幫您穩定好每一批產品,如果您有遇到什么需要幫助解決的,可以點擊右邊的工程師,或者點擊銷售經理給您精準的報價以及產品介紹
烜芯微專業制造二極管,三極管,MOS管,橋堆等20年,工廠直銷省20%,4000家電路電器生產企業選用,專業的工程師幫您穩定好每一批產品,如果您有遇到什么需要幫助解決的,可以點擊右邊的工程師,或者點擊銷售經理給您精準的報價以及產品介紹