
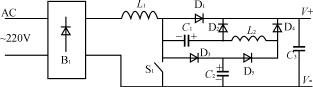
圖 PFC主電路原理圖
如圖所示的無損吸收PFC主電路的原理圖。圖中B1為整流橋,L1為PFC升壓電感,D1為隔直二極管,S1為開關管,C1,C2,D2,D3和D4,L2組成無損吸收網路,C3為輸出濾波電容。具體分析過程如下:當S1斷開前,C2中的能量通過D5及L2轉移到了C1中,C2的電壓降至0。C1的極性如圖1所示。當S1斷開時,C2上開始為零電壓,L1中的電流通過D3給C2充電,直到D1導通為止。并且C2的電位通過D4、D5箝位到輸出電壓。同時C1通過D2向負載放電,能抑制S1漏極上電壓的上升時間,從而充分地保證S1關斷在零電壓狀態下。當S1合上時,C1的左端通過S1接地,電容C2上的電荷通過D5、L2轉移到C1中。當開關再次關斷的時候,重復上述過程。
烜芯微專業制造二極管,三極管,MOS管,橋堆等20年,工廠直銷省20%,4000家電路電器生產企業選用,專業的工程師幫您穩定好每一批產品,如果您有遇到什么需要幫助解決的,可以點擊右邊的工程師,或者點擊銷售經理給您精準的報價以及產品介紹
烜芯微專業制造二極管,三極管,MOS管,橋堆等20年,工廠直銷省20%,4000家電路電器生產企業選用,專業的工程師幫您穩定好每一批產品,如果您有遇到什么需要幫助解決的,可以點擊右邊的工程師,或者點擊銷售經理給您精準的報價以及產品介紹