在音響領域里人們一直堅守著A類功放的陣地。認為A類功放聲音最為清新透明,具有很高的保真度。但是,A類功放的低效率和高損耗卻是它無法克服的先天頑疾。B類功放雖然效率提高很多,但實際效率僅為50%左右,在小型便攜式音響設備如汽車功放、筆記本電腦音頻系統和專業超大功率功放場合,仍感效率偏低不能令人滿意。所以,效率極高的D類功放,因其符合綠色革命的潮流正受著各方面的重視。
由于集成電路技術的發展,原來用分立元件制作的很復雜的調制電路,現在無論在技術上還是在價格上均已不成問題。而且近年來數字音響技術的發展,人們發現D類功放與數字音響有很多相通之處,進一步顯示出D類功放的發展優勢。
D類功放是放大元件處于開關工作狀態的一種放大模式。無信號輸入時放大器處于截止狀態,不耗電。工作時,靠輸入信號讓晶體管進入飽和狀態,晶體管相當于一個接通的開關,把電源與負載直接接通。理想晶體管因為沒有飽和壓降而不耗電,實際上晶體管總會有很小的飽和壓降而消耗部分電能。這種耗電只與管子的特性有關,而與信號輸出的大小無關,所以特別有利于超大功率的場合。在理想情況下,D類功放的效率為100%,B類功放的效率為78.5%,A類功放的效率才50%或25%(按負載方式而定)。
D類功放實際上只具有開關功能,早期僅用于繼電器和電機等執行元件的開關控制電路中。然而,開關功能(也就是產生數字信號的功能)隨著數字音頻技術研究的不斷深入,用與Hi-Fi音頻放大的道路卻日益暢通。20世紀60年代,設計人員開始研究D類功放用于音頻的放大技術,70年代Bose公司就開始生產D類汽車功放。一方面汽車用蓄電池供電需要更高的效率,另一方面空間小無法放入有大散熱板結構的功放,兩者都希望有D類這樣高效的放大器來放大音頻信號。其中關鍵的一步就是對音頻信號的調制。
圖1是D類功放的基本結構,可分為三個部分:


圖1 D類功放基本結構
第一部分為調制器,最簡單的只需用一只運放構成比較器即可完成。把原始音頻信號加上一定直流偏置后放在運放的正輸入端,另通過自激振蕩生成一個三角形波加到運放的負輸入端。當正端上的電位高于負端三角波電位時,比較器輸出為高電平,反之則輸出低電平。若音頻輸入信號為零、直流偏置三角波峰值的1/2,則比較器輸出的高低電平持續的時間一樣,輸出就是一個占空比為1:1的方波。當有音頻信號輸入時,正半周期間,比較器輸出高電平的時間比低電平長,方波的占空比大于1:1;負半周期間,由于還有直流偏置,所以比較器正輸入端的電平還是大于零,但音頻信號幅度高于三角波幅度的時間卻大為減少,方波占空比小于1:1。這樣,比較器輸出的波形就是一個脈沖寬度被音頻信號幅度調制后的波形,稱為PWM(PulseWidthModulation脈寬調制)或PDM波形。音頻信息被調制到脈沖波形中。
第二部分就是D類功放,這是一個脈沖控制的大電流開關放大器,把比較器輸出的PWM信號變成高電壓、大電流的大功率PWM信號。能夠輸出的最大功率有負載、電源電壓和晶體管允許流過的電流來決定。
第三部分需把大功率PWM波形中的聲音信息還原出來。方法很簡單,只需要用一個低通濾波器。但由于此時電流很大,RC結構的低通濾波器電阻會耗能,不能采用,必須使用LC低通濾波器。當占空比大于1:1的脈沖到來時,C的充電時間大于放電時間,輸出電平上升;窄脈沖到來時,放電時間長,輸出電平下降,正好與原音頻信號的幅度變化相一致,所以原音頻信號被恢復出來,見圖2。


圖2模擬D類功放工作原理
D類功放設計考慮的角度與AB類功放完全不同。此時功放管的線性已沒有太大意義,更重要的開關響應和飽和壓降。由于功放管處理的脈沖頻率是音頻信號的幾十倍,且要求保持良好的脈沖前后沿,所以管子的開關響應要好。另外,整機的效率全在于管子飽和壓降引起的管耗。所以,飽和管壓降小不但效率高,功放管的散熱結構也能得到簡化。若干年前,這種高頻大功率管的價格昂貴,在一定程度上限制了D類功放的發展。現在小電流控制大電流的MOSFET已普遍運用于工業領域,特別是近年來UHCMOSFET已在Hi-Fi功放上應用,器件的障礙已經消除。
調制電路也是D類功放的一個特殊環節。要把20KHz以下的音頻調制成PWM信號,三角波的頻率至少要達到200KHz。頻率過低達到同樣要求的THD標準,對無源LC低通濾波器的元件要求就高,結構復雜。頻率高,輸出波形的鋸齒小,更加接近原波形,THD小,而且可以用低數值、小體積和精度要求相對差一些的電感和電容來制成濾波器,造價相應降低。但此時晶體管的開關損耗會隨頻率上升而上升,無源器件中的高頻損耗、謝頻的取膚效應都會使整機效率下降。更高的調制頻率還會出現射頻干擾,所以調制頻率也不能高于1MHz。
同時,三角波形的形狀、頻率的準確性和時鐘信號的抖晃都會影響到以后復原的信號與原信號不同而產生失真。所以要實現高保真,出現了很多與數字音響保真相同的考慮。
還有一個與音質有很大關系的因數就是位于驅動輸出與負載之間的無源濾波器。該低通濾波器工作在大電流下,負載就是音箱。嚴格地講,設計時應把音箱阻抗的變化一起考慮進去,但作為一個功放產品指定音箱是行不通的,所以D類功放與音箱的搭配中更有發燒友馳騁的天地。實際證明,當失真要求在0.5%以下時,用二階Butterworth最平坦響應低通濾波器就能達到要求。如要求更高則需用四階濾波器,這時成本和匹配等問題都必須加以考慮。
近年來,一般應用的D類功放已有集成電路芯片,用戶只需按要求設計低通濾波器即可。
OTL是英文OutputTransformerLessAmplifier的簡稱,是一種無輸出變壓器的功率放大器。
一、OTL電子管功放電路的特點
普通電子管功率放大器的輸出負載為動圈式揚聲器,其阻抗非常低,僅為4~16Ω。而一般功放電子管的內阻均比較高,在普通推挽功放中屏極至屏極的負載阻抗一般為5~10kΩ,故不能直接驅動低阻抗的揚聲器,必須采用輸出變壓器來進行阻抗變換。由于輸出變壓器是一種電感元件,通過變壓器的信號頻率不同,其電感線圈所呈現的阻抗也不同。為了延伸低頻響應,線圈的電感量應足夠大,圈數也就越多,因此在每層之間的分布電容也相應增大,使高頻擴展受到限制,此外還會造成非線性失真與相位失真。
為了消除這些不良影響,各種不同形式的電子管OTL無輸出變壓器功率放大器應運而生,許多適用于OTL功放的新型功率電子管在國外也不斷被設計制造出來。電子管OTL功率放大器的音質清澄透明,保真度高,頻率響應寬闊,高頻段與低頻段的頻率延伸范圍一般可達10HZ~100kHz,而且其相位失真、非線性失真、瞬態響應等技術性能均有明顯提高。
二、電子管OTL功放電路的形式
圖1(a)~圖1(f)是OTL無輸出功放基本電路。圖1(a)和圖1(b)為OTL功放兩種供電結構的方式,即正負雙電源式和單電源供電方式。在正負雙電源式OTL功放中,中心為地電位。這樣可保證推挽電路的對稱性,因此可以省略輸出電容,使功放的頻率響應特性更佳。單電源式OTL電路為了使兩只推挽管具有相同的工作電壓,必須使中心點的工作電壓等于電源電壓的一半。同時,其輸出電容C1的容量必須足夠大,不影響輸出阻抗與低頻響應的要求。


圖1(c)和圖1(d)為OTL功放電子管柵極偏置的取法。由于上邊管陰極不接地,因此上邊管的推動信號由柵極與陰極之間加入,而下邊管的推動信號可由柵極與地之間加入。至于其偏置方式,上邊管可通過中心點對地分壓后取出,而下邊管的偏置電壓必須另設專門的負壓電源來供給。
圖1(e)和圖1(f)為OTL倒相電路的應用。圖1(e)為采用屏陰分割式倒相電路對OTL功放進行激勵。只要倒相管的屏極負載電阻RL與陰極負載電阻RK的阻值相等,其輸出的激勵電壓總能獲得平衡。
圖1(f)為采用共陰極差分式倒相電路。由于共陰極電阻RK,的阻值較大,具有深度負反饋作用,故電路穩定可靠。同時,只要擔任差分放大的上管與下管的屏極負載電阻取值相等,其兩管的屏極總能輸出一對相位相反、幅值相等的推動信號電壓。
三、OTL功放電路的選管
對于電子管OTL功放的輸出級,不是所有功率電子管均能適用,必須選用符合如下條件的功率電子管才能取得良好的效果。
1、低內阻特性
一般功率電子管的屏極內阻為10kΩ左右,不適用于OTL功放。OTL功放必須選用屏極內阻在200~800Ω的功率電子管。這些低內阻功率電子管有6AS7、6N5P、6C33C-B、6080、6336等。
2、低屏壓、大電流特性
一般功率電子管的屏極電壓均為400V左右,高屏壓電子管可達800~1000V,而OTL功放必須選用屏極電壓在150~250V之間的低屏壓、大電流特性的功率電子管來擔任。以上所列低內阻功率電子管均具有低屏壓、大電流的工作特性。此外還有6C19、6KD6、421A、6146等功率電子管。這些電子管本身具有低屏壓、大電流特性,但其屏極內阻稍高,應多管并聯才能適用于OTL功放。
3、采用新型OTL功放專用功率電子管
這類電子管不僅內阻較低,而且具有低屏壓、大電流特性,如6HB5、6LF6、17KV6、26LW6、30KD6、40KG6等。為了降低電子管燈絲的功耗,許多用于OTL功放的功率電子管的燈絲電壓提高到20~40V,以便于串聯使用。
四、幾種OTL功放典型電路
1.新型三極功率管OTL功放
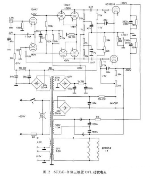
圖2是6C33C-B雙三極管OTL功放電路圖。本電路采用國外新型低內阻、大功率雙三極管6C33C-B作OTL功放,每個聲道用一對6C33C-B作功率放大,在輸出8Ω負載時,每聲道的輸出功率可達40W。


本OTL功放輸入級采用高放大系數雙三極電子管12AX7組成前級差分兼倒相電路。該電路具有輸入阻抗高、動態范圍大的特點。為了拓寬頻響、減小相位失真,輸入級與推動級之間采用直接耦合的方式。為提高前級增益,在差分輸入管12AX7的陰極加上-22V電壓,并串接了一只1.1mA的恒流二極管,使前級工作更加穩定可靠。
推動放大級由中放大系數雙三極電子管12BH7擔任,該管特性與l2AU7、12JD8、5687等雙三極管特性相近。為了增大屏極電流,提高推動級輸出能力,特將兩只三極管并聯使用,每管屏極電壓高達265V,組成共陰極推動放大電路。為提高推動級各項電性能、減小失真、拓寬頻響,在兩管的陰極加有較深的電流負反饋。
OTL功放輸出級每個聲道采用一對新型雙三極功率電子管6C33C-B。前級一對幅值相等、相位相反的推動信號經過兩只0.47F電容耦合至功放管。
本OTL功放級采用正負雙電源形式,其功放級工作電壓為±182V。功放管6C33C-B的柵極與陰極間的最高負壓值為-60V,上邊管的柵負壓由單獨的負壓電源供給,下邊管的柵負壓則由另一組負電壓供給。
為提高OTL功放的各項電性能,在OTL中點輸出端與輸入端之間通過1.8kΩ電阻加了適當的電壓負反饋,使整機電性能穩定可靠。本機的頻率響應為10Hz~200kHz(±0.1dB)。
在OTL功放電源供給方面,功放級的正負高壓由電源變壓器中135V/1.3A繞組經二極管正反相整流濾波后取得±182V高壓。輸入級與推動級的屏極高壓由電源變壓器300V/0.1A繞組經二極管橋式整流濾波后輸出+395V高壓,并經去耦電阻降壓后得到+265V和+140V電壓,分別供給12AX7和12BH7。柵負壓電源分為兩組,由電源變壓器中的兩個獨立繞組60V/50mA經整流濾波后分別供給OTL功放管的柵極作為柵負偏壓,并通過兩只20kΩ可變電位器進行調節。燈絲電源分為3組,前級各聲道為2組。功放管6C33C-B燈絲有兩種用法,當串聯使用時為12.6V/3.3A,并聯使用時為6.3V/6.6A,本機采用的是串聯方式。
2.普通三極管OTL功放
圖3是6KD6五極管OTL功放電路圖。它是將普通束射四極管或五極功率電子管改為三極管接法的OTL功放,利用了電子管簾柵極在相同柵壓下可以輸出較大電流的特點。原來由于相對的屏極內阻較大,限制了工作電流,但改成三極管接法以后,簾柵極的電壓與屏極電壓處于同等電位,屏極內阻大幅度下降,加強了屏極承受較大電流的能力,因此能在低阻抗負載下輸出較大功率。


對于普通功率電子管改成三極管接法的OTL功放來說,并不是所有功率管均能采用,必須選用屏極電壓范圍較大的束射四極管或五極功率電子管,如6KD6、6L6、6P3P、6146等。同時,功放級還必須采用多只功率管并聯的方式,在8Ω低阻抗負載時,每聲道采用6只功率管并聯才能符合低阻抗負載的要求,并且輸出功率僅為30W左右。
本OTL功放的輸入級由高放大系數電子管6J2擔任,可將輸入的音頻信號進行較
大幅度提升,單級電壓增益可達30dB以上。經放大后的信號電壓采用直接耦合的方式傳輸至倒相級。倒相級由高屏壓雙三極管6SN7擔任,屏極電壓取值為340V。由該管組成屏陰分割式倒相電路,屏極與陰極的負載電阻均取值為33kΩ。這樣,在輸出端即可取得一對幅值相等、相位相反的推動信號電壓。
OTL功放級采用SEPP并聯推挽電路,可選用6KD6、6L6、6P3P等屏壓范圍大的功放管,并將其改為三極管接法。采用6只功放管并聯的輸出方式,使輸出阻抗達到8~16Ω。
功放級電源為正負雙電源形式,取值為±230V。功放管柵極負壓應根據不同功率管特性決定,上邊管與下邊管通過各自的分壓網絡并通過調控電位器后獲得。
烜芯微專業制造二極管,三極管,MOS管,橋堆等20年,工廠直銷省20%,4000家電路電器生產企業選用,專業的工程師幫您穩定好每一批產品,如果您有遇到什么需要幫助解決的,可以點擊右邊的工程師,或者點擊銷售經理給您精準的報價以及產品介紹
烜芯微專業制造二極管,三極管,MOS管,橋堆等20年,工廠直銷省20%,4000家電路電器生產企業選用,專業的工程師幫您穩定好每一批產品,如果您有遇到什么需要幫助解決的,可以點擊右邊的工程師,或者點擊銷售經理給您精準的報價以及產品介紹