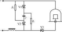
帶電容的電子開關滅弧電路


圖 帶電容的電子開關滅弧電路
采用普通晶閘管,適用大電流的隔離電容儲能并聯—串聯晶閘管電子開關電路原理如圖5所示。由于這種電路的電容工作時已經充上與爐子兩端極性相反的電壓,故打弧時V1和V2開通,強迫爐子電流下降,同時關斷V3,可以獲得更快的滅弧速度。
烜芯微專業制造二極管,三極管,MOS管,橋堆等20年,工廠直銷省20%,4000家電路電器生產企業選用,專業的工程師幫您穩定好每一批產品,如果您有遇到什么需要幫助解決的,可以點擊右邊的工程師,或者點擊銷售經理給您精準的報價以及產品介紹
烜芯微專業制造二極管,三極管,MOS管,橋堆等20年,工廠直銷省20%,4000家電路電器生產企業選用,專業的工程師幫您穩定好每一批產品,如果您有遇到什么需要幫助解決的,可以點擊右邊的工程師,或者點擊銷售經理給您精準的報價以及產品介紹