(1)指針式絕緣電阻表的結構 常見的指針式絕緣電阻表結構主要由手搖直流發電機、磁電系比率表及測量線路構成。
①手搖發電機。手搖發電機一般由發電機、搖動手柄、傳動齒輪等組成。這種發電機的容量很小,但在標準轉速(120r/min)下會產生較高的電壓。常見的電壓等級有100V、250V、500V、1000V、2500V等。
②磁電系比率表。一般由磁路部分、電路部分、指針等組成,如圖1所示。


圖1 磁電系比率表的組成
磁路部分由永久磁鐵、極掌、帶缺口的圓柱形鐵芯等構成。電路部分由兩個可動的線圈(稱之為動圈)構成。兩個動圈彼此相交成一固定夾角,連同指針固定在同一軸上。動圈中的電流是通過導流絲導入的,當通入電流后,兩個動圈內部的電流方向是相反的。此外,動圈內是帶缺口的圓柱形鐵芯,所以磁路空氣隙內的磁場是不均勻的。
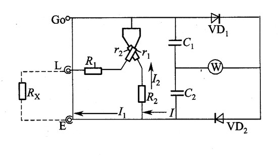
(2)絕緣電阻表工作原理 絕緣電阻表的測量電路2所示,虛線框內為表內部電路,交流發電機發出的交流電壓經二極管VD1、VD2和電容器C1、C2整流、濾波后成為直流電壓,加在被測電阻Rx上。表外部有3個接線端子,L端子叫線路端子;E端子叫接地端子;G端子叫屏蔽端子(又叫保護環),其內部直接與發電機負極相連。在測量電纜絕緣電阻時要使用G端子。


圖2 絕緣電阻表的測量電路
測量時兩個動圈中的電流I1、I2流向不同,I1產生的轉動力矩M1和I2產生的轉動力矩M2也相反,當兩個力矩平衡時,指針停留在某一個位置,相應偏轉角為α,α將由兩個動圈內電流比決定,即α=F(I1/I2),而與測量電路中的電源電壓無關。
由圖2中可以看出,動圈1、內附電阻R1與被測電阻Rx串聯;動圈2和內附電阻凡串聯,它們接到發電機的兩端,并承受發電機發出的測量電壓。此時線圈中電流大小為


因為F是常數,由式(8-1)可知,當表的結構一定時,即R1、R2、r1、r2均為定值;U一定時,絕緣電阻表的指針偏轉角大小只取決于兩只動圈中電流的比值,因此稱為比率表。電流I2是一個不變的常數,電流I1的大小與被測電阻Rx有關。
當被測電阻Rx=0時,I1為最大,I1/ I2的比值最大,此時動圈1產生的轉動力矩M1最大,偏轉角α也最大,指針向右偏轉到最大位置,即指針指向零位;當被測電阻RX=∞(無窮大)時,I1趨近于零,此時動圈1的轉動力矩M1也為零,在I2所產生的反作用力矩M2的作用下,指針向左偏到∞位置。在此種情況下,由于動圈2正好轉到鐵芯缺口處,由I2所產生的磁場與缺口處由永久磁鐵產生的恒定磁場方向一致,這時不再產生反作用力矩,線圈停止轉動。
由式(8-1)還可知,絕緣電阻表標度尺的刻度是不均勻的,測量范圍是0~∞,但實際上這疋不可能的,因為在其標度尺上只有部分刻度能有較為準確的讀數,如0~100MΩ、0~250MΩ,0~500MΩ等。
另外,由于磁電系比率表沒有產生反作用力的游絲,所以一般絕緣電阻表在不用狀態下,其指針可停在任意位置,但在正常放置(水平)條件下,指針一般指在標度尺中間的位置附近。
絕緣電阻表由手搖發電機產生的電壓是很不穩定的,所發出電壓的高低與搖動手柄的速度有關。但由磁電系比率表的原理可知,其指針偏轉角度只與電流I1和I2有關,而與發電機輸出電壓無關。也就是說,發電機輸出電壓不穩是不會影響指針偏轉角的。但是需要說明的是,若手搖速度過慢,則發電機產生的電壓太低,將使兩個動圈產生力矩減小,此時由于通電用導流絲有一定的彈性力矩,這一力矩將對可動部分有一定影響,因此測量結果就會產生誤差。同時發電機產生的電壓達不到額定值,其測出的絕緣電阻是不符合要求的。所以,在使用時應保持120r/min的額定轉速,不能忽快忽慢。有些絕緣電阻表內部裝有限速裝置,能限制發電機轉速,并使之以恒速轉動,以保證測量的準確性。
烜芯微專業制造二極管,三極管,MOS管,橋堆等20年,工廠直銷省20%,4000家電路電器生產企業選用,專業的工程師幫您穩定好每一批產品,如果您有遇到什么需要幫助解決的,可以點擊右邊的工程師,或者點擊銷售經理給您精準的報價以及產品介紹
烜芯微專業制造二極管,三極管,MOS管,橋堆等20年,工廠直銷省20%,4000家電路電器生產企業選用,專業的工程師幫您穩定好每一批產品,如果您有遇到什么需要幫助解決的,可以點擊右邊的工程師,或者點擊銷售經理給您精準的報價以及產品介紹