電機相電流的采樣對于FOC控制來說是不可或缺的,在設計電機控制電路時,為了能夠準確的采樣到電機繞組中的電流值,需要提高電流采集的抗干擾能力。那么如何保證我們的設計是合理的,小編帶大家探討下電機電流采集電路的三個基本要素。
一、引言
由于電機的寬范圍調速以電機自身不能獲得理想的正弦氣隙磁場,導致在系統控制時采樣的相電流含有不規則的高次諧波和隨機干擾,再加上電流采樣電路的不穩定性和A/D轉換單元偏差的存在,更是加大了及高速特性,加上實際采樣到的電流誤差。
眾所周知,電流的采樣對電機矢量控制是非常重要的。電流采樣方式主要有3種。


表1.1 電流采樣方式
對于大部分電機應用,采用雙電阻相電流采樣的方法具有一定的優勢,所以小編這里重點和大家探討下雙電阻方式下,如何提高相電流采樣的抗干擾能力。
二、抗干擾設計
1、采樣電阻
采樣電阻是基本的電阻元器件,同時其參數的選擇對采樣精確度也是重要的影響因素。
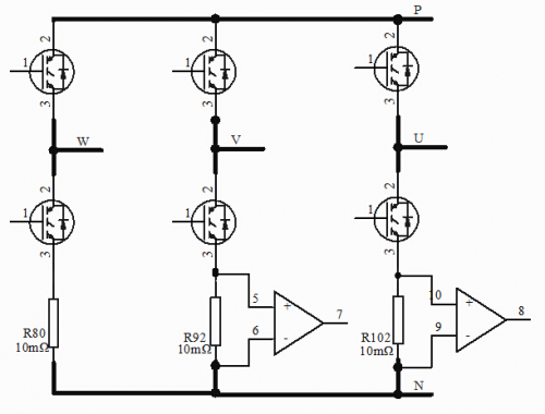
電機控制器對電機的其中兩相電流通過采樣電阻進行采樣,如圖1所示,從采樣電阻上獲取的電壓信號經過電壓偏置和放大,輸入到微處理器的A/D單元,從而得到其中兩相電流,再根據基爾霍夫定律,三相電流矢量和為0,推算出第三相的電流的值。


圖1 雙電阻采樣
對于320V供電空調壓縮機,電機內阻0.2Ω,如果采樣電阻合適,則對回路沒有什么影響。如果采樣電阻的阻值過大,會引起電壓的損耗,使能量效率變低,較大的阻值會使負載電壓發生偏移,產生電磁干擾,產生系統對噪聲敏感的問題。當確定好阻值后還需要考慮電阻的穩定性能和阻值誤差。
2、運放設計
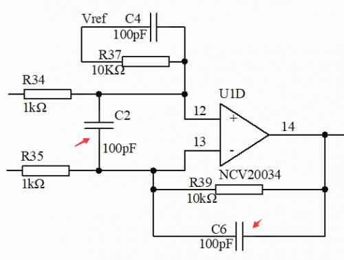
在電機的電路設計過程中需著重考慮運放電路的設計,下面為相電流采樣電路的設計說明。本文中采用的是ON公司的NCV20034汽車級運放芯片,擁有高達7MHz的增益帶寬,集成4路獨立運放于一身。
運放芯片本身對共模干擾有抵抗作用,而在差模干擾的抵抗作用稍弱,所以設計的時候要著重提高差分線上的差模抗干擾能力。如圖2所示,C2電容就是為了提高抗差模干擾能力。差分線上的電阻(R34、R35)和反饋電阻(R39)應使用高精度的電阻,使得理論計算得到的參數是準確可靠的。然后與運放的輸出連接的AD口引腳上并連一個RC電路濾掉高次諧波干擾和隨機脈沖干擾,從而提升抗干擾能力。


圖2電流測量
3、PCB布置
為了能夠準確的采樣電流,應將運放芯片在PCB上的位置盡量靠近采樣電阻,同時又要使運放芯片不能遠離MCU,運放的地和MCU的地應該盡量靠攏。如圖3所示,采樣電阻(R98、R99、R100)兩端走差分線到運放的同相和反相端口,差分線應等距并且盡量短,以避免其他的干擾產生。壓縮機涉及到高壓和低壓部分,在布局電流地的時候,應使大電流地和小電流地能很好的單點隔離。


圖3運放差分走線
以上經過硬件濾波后,如圖4所示,3相電流波形得到顯著的優化。


圖4三相電流波形
烜芯微專業制造二極管,三極管,MOS管,橋堆等20年,工廠直銷省20%,4000家電路電器生產企業選用,專業的工程師幫您穩定好每一批產品,如果您有遇到什么需要幫助解決的,可以點擊右邊的工程師,或者點擊銷售經理給您精準的報價以及產品介紹
烜芯微專業制造二極管,三極管,MOS管,橋堆等20年,工廠直銷省20%,4000家電路電器生產企業選用,專業的工程師幫您穩定好每一批產品,如果您有遇到什么需要幫助解決的,可以點擊右邊的工程師,或者點擊銷售經理給您精準的報價以及產品介紹