在電子電路設計中,有時會對光耦的輸入輸出匹配電阻值有較為精確的需求。但是對于缺乏經驗的設計者來說想要取得精確的光耦匹配電阻值是比較困難的,那些重點參數才是需要格外關注的?在計算過程中需要注意什么?在本文中小編將通過一個例子來為大家進行解釋。
假設光耦為PS2801,光耦輸入端(發光二極管)加電壓3.3V,輸出端(三極管端)加電壓5V,那么兩端的電阻如何計算?需要從哪些參數來決定呢?
關于光耦輸入出端的電阻的計算,首先要做的就是將“最佳狀態”定義好。也就是在輸入經過光耦隔離后,輸出波形一致。因為光耦的電流傳輸比容易受溫度環境因素而變化,致使如果選擇光耦兩端電阻匹配不好的話,也會使波形變形。可能出現產品在不同溫度環境的工作的不穩定,時而波形失真,時而波形很好的情況。
光耦兩邊電阻影響波形的因素,一個是影響上升沿,一個是影響下降沿。通過實驗,把烙鐵頭子放在芯片上之后波形就會出現變形。而光耦的電阻,可以用datasheet上的參數和曲線來確定,如果提供的曲線工作范圍不對稱,就可以根據自己的需要來測定。
下面使用datasheet進行了一下試運算,來為大家作為參考。
1、確定‘過驅動’倍數,就是為了讓三極管飽和導通必須加大驅動電流若干倍。
(1)、假設LZ的型號是PS2801K,則CTR=300%to600%,所以,這一項需要過驅動2倍。
(2)、溫度影響,按溫度范圍-55to+75計算,約1.10/0.8=1.375,這一項需要過驅動1.375倍。
(3)、老化影響,按If=5mA,Ta=60,約1.0/0.6=1.67,這一項需要過驅動1.67倍。
總的過驅動倍數=4.58。


圖1


圖2
首頁 > 功率開關器件
實例講解如何得到精確的光耦匹配電阻值2016-05-16 09:35 來源:電源網綜合 作者:鈴鐺
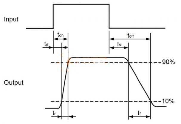
2、確定三極管的負載電阻,主要和信號頻率有關。LZ是9600通訊,最短脈沖時間=104uS。信號經過ps2801之后,高低電平的時間參數不能有太大的變化,取20%即20uS。看參數定義,必須同時滿足td+tr20uS,ts+tf20uS。


圖3


(1)


(2)
圖4
圖4是兩張對比圖,為負載電阻和開關時間的關系。左邊的是Ic,但看不出過驅動倍數所以不能使用。
看圖4(2),R=800時,ts+tf約為20uS。還要看一下過驅動倍數,(5mA*236%)/(5v/0.800)=1.888倍,和實際要求4.58倍不符。最好自己加大If實測ts和tf。現在估算一下,過驅動倍數每增加1倍,ts、tf大約增加1倍(放了一定的余量),所以R必須減小為800*(1.888/4.58)=330,確定負載電阻R=330。
以上,就是光耦輸出輸入兩端的電阻的大概計算方向,以及有哪些重要的參數是需要特別進行注意的。在實際設計過程中遇到此類問題的朋友不妨花上幾分鐘來閱讀本文,從而在計算光耦電阻時能夠有效地避免一些不必要的時間浪費。
烜芯微專業制造二極管,三極管,MOS管,橋堆等20年,工廠直銷省20%,4000家電路電器生產企業選用,專業的工程師幫您穩定好每一批產品,如果您有遇到什么需要幫助解決的,可以點擊右邊的工程師,或者點擊銷售經理給您精準的報價以及產品介紹
烜芯微專業制造二極管,三極管,MOS管,橋堆等20年,工廠直銷省20%,4000家電路電器生產企業選用,專業的工程師幫您穩定好每一批產品,如果您有遇到什么需要幫助解決的,可以點擊右邊的工程師,或者點擊銷售經理給您精準的報價以及產品介紹