CAN總線的電氣保護
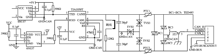
船舶機艙中工況條件十分惡劣,各種電磁干擾對物理鏈路及數據鏈路的正常工作都有嚴重的影響。這些對控制系統是極大的威脅,非常容易導致系統癱瘓。為了最大程度地保證網絡系統正常工作,采取了以下兩種措施:第一種措施是電氣隔離。通信電纜是網絡系統中受干擾最大的部分,而且各種干擾也極容易順通信電纜進入系統,從而引起系統的工作不正常。為了切斷這條干擾途徑,保護CAN控制器,在CAN控制器與收發器之間增加了6N137,以進行光電隔離。
第二種措施是在總線上增加保護器件。當發生雷擊或其他強烈干擾時,巨大的能量如果來不及泄放,就會損壞收發器。為了防止干擾對收發器的損壞,增加了防雷管和TVS作總線保護。當受到雷擊時,并接在總線上的防雷管能將能量泄放掉。但是一般情況下,防雷管的反應速度慢,鉗位電壓高(約為800 V),因此本設計中,在防雷管后增加了TVS和PTC電阻。TVS能夠將總線的壓差鉗制在6.8 V以下,這樣當受到干擾時,TVS能較快地起到保護作用;而PTC電阻能保護收發器免受過流的沖擊。在CAN H和CAN L與地之間各自接一個30 pF的小電容,可以起到濾除總線上的高頻干擾和防電磁輻射的作用。CAN收發器電氣保護原理如圖2所示。
烜芯微專業制造二極管,三極管,MOS管,橋堆等20年,工廠直銷省20%,4000家電路電器生產企業選用,專業的工程師幫您穩定好每一批產品,如果您有遇到什么需要幫助解決的,可以點擊右邊的工程師,或者點擊銷售經理給您精準的報價以及產品介紹
