中頻感應加熱電源在目前的工業制造領域應用十分廣泛,也是很多工程師和廠家的重點關注方向之一。在今明兩天的方案分享中,我們將會通過一個系列分享的形式,為大家分享一種全新的中頻感應加熱電源設計方案。今天要為大家分享的是這種新型感應加熱電源的主電路設計方案,大家一起來看看吧。
在本文所設計的這種全新的數字型150kW/10kHz中頻感應加熱電源中,其系統主要采用了IGBT橋式逆變器的串聯諧振式工作模式。在本方案中,我們在主系統中利用了數字鎖相環DPLL技術,不但提高了系統頻率跟蹤的穩定性和可靠性,解決了模擬控制中參數隨溫度漂移的問題,而且還具備控制靈活,電路簡單,高效節能。
主電路系統
依據目前的市場需求和中頻感應加熱電源的基礎設計需要,在本方案中,我們所設計的感應加熱設備主電路系統中,額定輸出功率P=150kW,輸出頻率10kHz,輸入電壓為三相AC380V。依據逆變原理和傳統模擬系統存在的缺欠,我們設計了一種10kHz/150kW串聯諧振感應加熱電源設備的主電路,這一系統采用電流調節和功率調節組成雙閉環功率控制電路,具有調壓范圍寬、輸出穩定性好等優點。


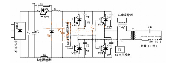
圖1 10kHz/150kW的感應加熱電源主電路
在上述要求和設計思路下,我們所完成的數字式中頻感應加熱系統的主電路結構,如上圖1所示。從圖1中我們可以看到,在這一主電路系統中,三相AC380V/50Hz經進線電抗器后加到三相不可控整流橋,輸出的直流電壓Ud經電解電容Cd濾波成平直的電壓,通過直流斬波功率控制電路后,再加到由四個IGBT和四個反并聯二極管組成的單相全橋逆變器。逆變器輸出的電壓U0經中頻變壓器T隔離并降壓后送到由補償電容C0和負載感應器組成的串聯諧振電路的兩端。
在這一基于DSP的數字式中頻感應加熱系統中,我們所設計的這一整流電路采用三相不控橋,不需要額外的控制電路與晶閘管相控整流電路相比較,提高了功率因數,減小了輸入側的EMI,且其輸出電壓值適中穩定。由于采用了負載諧振技術,因此為保證主開關管工作于準零電流狀態(ZCS),輸出功率的調節只能依靠改變逆變橋的供電電壓來實現,即在直流側采用Buck斬波電路通過改變占空比D的大小來調節直流輸出電壓,實現對輸出功率的調節。在開關管VT0導通期間,二極管D0反偏,輸入提供能量給電感,同時提供能量給負載。當開關管關斷時,電感電壓使二極管D5導通,電感中存儲的能量傳送給負載。采用電感L1和電容Cd0組成低通濾波器可以得到平穩的輸出電壓Udo,此方法控制簡單方便,且工作頻率與諧振頻率可以同步,功率因數高,無功損耗小。
在圖1所展示的這一10kHz/150kW的感應加熱電源主電路系統中,我們可以非常清晰的看到,該系統中的逆變電路是由全控器件IGBT模塊構成的串聯諧振式逆變器。在這里我們選用西門子BSM300GB120B進行兩單元并聯,兩組全控器件VT1、VT4和VT2、VT3交替導通。輸出負載所需要的中頻交流電壓U0,由于串聯諧振式逆變器的直流電源回路存在無功電流。該無功電流隨逆變器的輸出功率因數減小而增大。因此,需并接高頻濾波電容器Cd0流通無功電流。IGBT逆變器控制方式是采用移相控制兩個半橋電路,各自按照180°方波控制(上下兩個橋臂互補通斷)。但兩半橋的控制方波在相位上相差一定角度θ(0°≤θ小于等于180°)負載上得到輸出電壓波形為正負對稱θ寬的方波。
在這一中頻感應加熱電源的主電路系統設計過程中,為了有效減小逆變管的開關損耗,我們所設計的逆變器的工作頻率應當大于其諧振頻率。若逆變器的工作電壓不變,則在諧振點附近的輸出功率最大。當提高逆變器工作頻率時,負載等效阻抗增高,輸出功率減小,輸出功率因數很低,而且逆變器主開關管工作在硬開關狀態,開關損耗大,效率低。
在本方案中,我們所設計的這一數字式中頻感應加熱電源主電路系統,其逆變電源選擇采用串聯諧振式全橋DC/AC逆變電路,并選擇以IGBT為主開關器件,由電流調節和功率調節組成雙閉環的PWM直流斬波器進行功率調節。該逆變電源系統采用數字頻率跟蹤技術控制逆變器的工作頻率,使逆變器始終工作于諧振狀態,逆變器輸出功率因數接近于1,而且IGBT能始終工作在準零電流開關狀態,整機工作效率較高。
烜芯微專業制造二極管,三極管,MOS管,橋堆等20年,工廠直銷省20%,4000家電路電器生產企業選用,專業的工程師幫您穩定好每一批產品,如果您有遇到什么需要幫助解決的,可以點擊右邊的工程師,或者點擊銷售經理給您精準的報價以及產品介紹
烜芯微專業制造二極管,三極管,MOS管,橋堆等20年,工廠直銷省20%,4000家電路電器生產企業選用,專業的工程師幫您穩定好每一批產品,如果您有遇到什么需要幫助解決的,可以點擊右邊的工程師,或者點擊銷售經理給您精準的報價以及產品介紹