
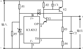
圖 采用NPN和PNP管擴展輸入電壓電路圖
圖所示電路中,V1和V2用典型的SCR或晶閘管的方式連接。按圖所示電路可以很方便地構造一個負輸出電壓的穩(wěn)壓電源。當然這時的結型場效應管應選用P溝道型,其余的選擇原則同圖4。當需要進一步擴展輸出電流時,可再加一只NPN型的擴流三極管V2。然而由于NPN晶體管的電荷存儲效應將降低環(huán)路帶寬。所以應加大R2或C1來保護電路工作穩(wěn)定性。注意在圖8中,使用的是ICL8211而不是ICL8212,這樣可確保反饋信號極性正確,保證電路工作在負反饋狀態(tài)。
烜芯微專業(yè)制造二極管,三極管,MOS管,橋堆等20年,工廠直銷省20%,4000家電路電器生產企業(yè)選用,專業(yè)的工程師幫您穩(wěn)定好每一批產品,如果您有遇到什么需要幫助解決的,可以點擊右邊的工程師,或者點擊銷售經理給您精準的報價以及產品介紹
烜芯微專業(yè)制造二極管,三極管,MOS管,橋堆等20年,工廠直銷省20%,4000家電路電器生產企業(yè)選用,專業(yè)的工程師幫您穩(wěn)定好每一批產品,如果您有遇到什么需要幫助解決的,可以點擊右邊的工程師,或者點擊銷售經理給您精準的報價以及產品介紹