三相異步電動機
三相異步電動機接線圖及正反轉接線實圖講解,三相異步電機,是感應電動機的一種,是靠同時接入380V三相交流電流(相位差120度)供電的一類電動機,由于三相異步電動機的轉子與定子旋轉磁場以相同的方向、不同的轉速成旋轉,存在轉差率,所以叫三相異步電動機。三相異步電動機轉子的轉速低于旋轉磁場的轉速,轉子繞組因與磁場間存在著相對運動而產生電動勢和電流,并與磁場相互作用產生電磁轉矩,實現能量變換。

與單相異步電動機相比,三相異步電動機運行性能好,并可節省各種材料。按轉子結構的不同,三相異步電動機可分為籠式和繞線式兩種。籠式轉子的異步電動機結構簡單、運行可靠、重量輕、價格便宜,得到了廣泛的應用,其主要缺點是調速困難。繞線式三相異步電動機的轉子和定子一樣也設置了三相繞組并通過滑環、電刷與外部變阻器連接。調節變阻器電阻可以改善電動機的起動性能和調節電動機的轉速。
三相異步電動機的工作原理
當向三相定子繞組中通入對稱的三相交流電時,就產生了一個以同步轉速n1沿定子和轉子內圓空間作順時針方向旋轉的旋轉磁場。由于旋轉磁場以n1轉速旋轉,轉子導體開始時是靜止的,故轉子導體將切割定子旋轉磁場而產生感應電動勢(感應電動勢的方向用右手定則判定)。由于轉子導體兩端被短路環短接,在感應電動勢的作用下,轉子導體中將產生與感應電動勢方向基本一致的感生電流。轉子的載流導體在定子磁場中受到電磁力的作用(力的方向用左手定則判定)。電磁力對轉子軸產生電磁轉矩,驅動轉子沿著旋轉磁場方向旋轉。
通過上述分析可以總結出電動機工作原理為:當電動機的三相定子繞組(各相差120度電角度),通入三相對稱交流電后,將產生一個旋轉磁場,該旋轉磁場切割轉子繞組,從而在轉子繞組中產生感應電流(轉子繞組是閉合通路),載流的轉子導體在定子旋轉磁場作用下將產生電磁力,從而在電機轉軸上形成電磁轉矩,驅動電動機旋轉,并且電機旋轉方向與旋轉磁場方向相同。
三相異步電動機接線圖-三相異步電動機的基本接線
三相異步電動機繞組出來的六根線可以分為兩種最基本的接法:三角形△接法和星形接法。
六根線=三個電機繞組=三個首端+三個尾端,萬用表測量同繞組首尾端相通,即:U1—U2,V1—V2,W1—W2。

1、三相異步電機三角形△接法。
三角形△接法就是將三個繞組首尾端依次相連,構成三角形,如圖所示:

2、三相異步電動機的星形接法
星形接法就是將三個繞組的尾端或者首端相連,另外三根線作為電源接線。如圖所示接法:

3、三相異步電動機既可以做星形接法,也可以做三角形△接法,電機端蓋接線圖或者電機銘牌會有說明。
三相異步電動機接線圖之圖文講解
相電動機接線盒 三相異步電動機y接時,接線盒里,連接片的連接方式 三相異步電動機角接時,接線盒連接片的連接方式 學習三相異步電動機的兩種接法。。
三相電動機接線盒

三相異步電動機y接時,接線盒里,連接片的連接方式

三相異步電動機角接時,接線盒連接片的連接方式

三相異步電動機的兩種解法:星型接法和三角解法。

三角接法
在承受相同電壓及相同線徑的繞組線圈中,星型接法比三角型接法每相匝數少根號3倍(1.732倍),功率也小根號3倍。成品電機的接法已固定為承受電壓380V,一般不適宜更改。只有三相電壓級別與正常380V不同時才改變接法,如三相電壓220V級別時,原三相電壓380V星型接法改為三角型接法就能適用;如三相電壓660V級別時,原三相電壓380V三角型接法改為星型接法就能適用,其功率不變。一般小功率電機是星型接法,大功率的是三角接法。
額定電壓下,應該使用三角形連接的電動機,如果改成星形連接,則屬于降壓運行,電動機功率減小,啟動電流也減少。額定電壓下,應該使用星形連接的電動機,是不允許的。大功率電機(三角型接法)起動時的電流很大,為了減少起動電流對線路的沖擊,一般采用降壓起動,原三角型接法運行改為星型接法起動就是其中一種方法,星型接法起動后轉換回三角型接法運行。

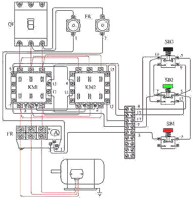
三相異步電動機接線圖-正反轉接線實圖
三相異步電動機正反轉接線實物圖:

電機要實現正反轉控制,將其電源的相序中任意兩相對調即可(我們稱為換相),通常是V相不變,將U相與W相對調節器,為了保證兩個接觸器動作時能夠可靠調換電動機的相序,接線時應使接觸器的上口接線保持一致,在接觸器的下口調相。由于將兩相相序對調,故須確保二個KM線圈不能同時得電,否則會發生嚴重的相間短路故障,因此必須采取聯鎖。
為安全起見,常采用按鈕聯鎖(機械)與接觸器聯鎖(電氣)的雙重聯鎖正反轉控制線路(如下圖所示);使用了按鈕聯鎖,即使同時按下正反轉按鈕,調相用的兩接觸器也不可能同時得電,機械上避免了相間短路。另外,由于應用的接觸器聯鎖,所以只要其中一個接觸器得電,其長閉觸點就不會閉合,這樣在機械、電氣雙重聯鎖的應用下,電機的供電系統不可能相間短路,有效地保護了電機,同時也避免在調相時相間短路造成事故,燒壞接觸器。

圖中主回路采用兩個接觸器,即正轉接觸器KM1和反轉接觸器KM2。當接觸器KM1的三對主觸頭接通時,三相電源的相序按U―V―W接入電動機。當接觸器KM1的三對主觸頭斷開,接觸器KM2的三對主觸頭接通時,三相電源的相序按W―V―U接入電動機,電動機就向相反方向轉動。電路要求接觸器KM1和接觸器KM2不能同時接通電源,否則它們的主觸頭將同時閉合,造成U、W兩相電源短路。為此在KM1和KM2線圈各自支路中相互串聯對方的一對輔助常閉觸頭,以保證接觸器KM1和KM2不會同時接通電源,KM1和KM2的這兩對輔助常閉觸頭在線路中所起的作用稱為聯鎖或互鎖作用,這兩正向啟動過程對輔助常閉觸頭就叫聯鎖或互鎖觸頭。
烜芯微專業制造二極管,三極管,MOS管,橋堆等20年,工廠直銷省20%,1500家電路電器生產企業選用,專業的工程師幫您穩定好每一批產品,如果您有遇到什么需要幫助解決的,可以點擊右邊的工程師,或者點擊銷售經理給您精準的報價以及產品介紹
烜芯微專業制造二極管,三極管,MOS管,橋堆等20年,工廠直銷省20%,1500家電路電器生產企業選用,專業的工程師幫您穩定好每一批產品,如果您有遇到什么需要幫助解決的,可以點擊右邊的工程師,或者點擊銷售經理給您精準的報價以及產品介紹