什么是感應加熱
電磁感應加熱,或簡稱感應加熱,是加熱導體材料比如金屬材料的一種方法。它主要用于金屬熱加工、熱處理、焊接和熔化。
顧名思義,感應加熱是利用電磁感應的方法使被加熱的材料的內部產生電流,依靠這些渦流的能量達到加熱目的。感應加熱系統的基本組成包括感應線圈,交流電源和工件。根據加熱對象不同,可以把線圈制作成不同的形狀。線圈和電源相連,電源為線圈提供交變電流,流過線圈的交變電流產生一個通過工件的交變磁場,該磁場使工件產生渦流來加熱。

220v感應加熱電路(一)
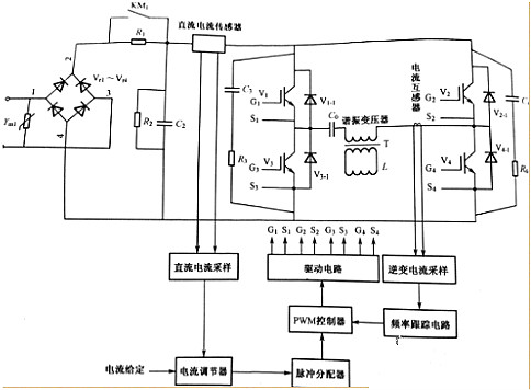
220v的交流電經二極管和電容濾波后,得到直流電壓,作為全橋逆變電路的直流側輸入電壓。1GBT全橋逆變電路將直流變換成200kHz的交流電。將第四代IGBT用于軟開關諧振式逆變電路中,其開關頻率可達400kHz以上。變壓器的作用是變壓和使負載與加熱線圈匹配。加熱線圈采用多股漆包線繞制成圓形空心線圈。
圖2為驅動及保護電路的原理圖。圖1中高頻電流互感器TA對諧振電流進行采樣,該采樣電流信號經圖2中的快恢復二極管V5~V8的全橋整流、電容C4的濾波、電阻Rl3和R15的分壓,在過二極管V9加到SG3525A的引腳10(強制關斷端)上,起到電流保護作用。電容器C4濾波后的電流信號,再經過電容C5的濾波、RP和R16的分壓送至SG3525A的引腳l(誤差放大器反相信號輸入端),調節電位器RP,可調節輸出功率和控制加熱速度。


整機采用自然冷卻,為了降低空載時的功耗,在系統中增加一個檢測被加熱件是否通過加熱線圈的檢測電路。當沒有被加熱件通過加熱線圈時,繼電器K的常閉觸點閉合,SG3525A引腳16(基準電壓端)輸出的5V電壓加到引腳10,PWM鎖存器關斷,主電路輸出關斷。當被加熱件從加熱線圈內通過時,檢測電路輸出信號將繼電器K的常閉觸點打開,SG3525A引腳16的5V電壓不再加到引腳10,PWM鎖存器去鎖,系統處于加熱狀態。
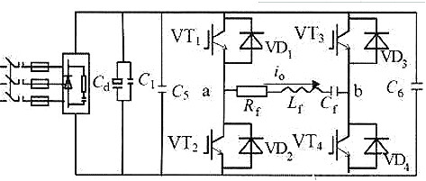
圖3給出了另外一種高頻加熱變頻電源的實例。這是一種金屬針布高頻感應加熱變頻電源的原理圖。圖中的主電路是二極管整流串聯諧振式1GBT逆變電路。該電路的主要特點是工作在軟開關狀態,其工作原理在本站的相關文章中有介紹。

圖3金屬針布高頻感應加熱變頻電源的原理圖
220v感應加熱電路圖(二)
如圖,+300V左右的直流電壓經R5、P6及R7分壓取樣,并經D24隔離后送入LM339N的⑧腳(比較器反相輸入端);同時,+5V電壓經R32、R33分壓后,加到LM339M的⑨腳(比較器同相輸入端)。當十300V直流電壓超過設定值時,LM339N⑧腳的電壓高于⑨腳電壓,比較器立即翻轉,LM339N的14腳輸出為低電平,并經過D14將LM339N②腳電壓迅速拉低,使TA8316s的①腳無脈沖信號輸入。

交流220V電壓經D1、D2整流后分為兩路:一路經R38、R39分壓取樣后,經RL40送到N6(9014)的基極,使N6導通,HT46R47(IC3)的④腳為低電平。當電源電壓低于設定值時,N6截止,HT46RL47④腳為高電平,HT46R47⑩腳停止輸出脈沖信號;另一路經K35、R36分壓取樣并經D17隔離后,送到HT46R47的⑤腳。當電源電壓高于設定值時,HT46R47⑩腳將停止輸出脈沖信號。
220v感應加熱電路圖(三)
該機的感應加熱電路主要由加熱線圈L、諧振電容cl(2μF/1200V)、門控管N10((GP20B120UD-E)和阻尼二極管D25(BY359X)組成。其工作原理簡述如下:當門控管N10導通時,流過加熱線圈L的電流迅速增大;當門控管截止時,儲存在L中的電能向諧振電容C1充電,隨即C1又向加熱線圈放電。如此循環,即C1和L發生并聯諧振,L周圍便會產生高頻電磁場,該電磁場使放在電磁爐灶面上的鐵鍋感應到強大的渦流,從而產生熱量對食物進行加熱。

如圖所示,交流220V電源電壓經電源變壓器T1降壓后,生成16.5V、12V、5V直流電壓供各路負載使用。
220v感應加熱電路圖(四)
C1、C2、C3、L1以及T1的次級(左側)共同構成了一個串聯諧振回路,因為變壓器次級存在漏感,回路的走線也存在分布電感,所以實際諧振頻率要比單純用C1-C3容量與L1電感量計算的諧振頻率略低。圖中L1實際上為1uH,我將漏感分布電感等加在里面所以為1.3uH,如圖參數諧振頻率為56.5KHz。

串聯諧振式感應加熱電源工作主電路
感應加熱的原理詳解
感應加熱表面淬火是利用電磁感應原理,在工件表面層產生密度很高的感應電流,迅速加熱至奧氏體狀態,隨后快速冷卻得到馬氏體組織的淬火方法,。當感應圈中通過一定頻率的交流電時,在其內外將產生與電流變化頻率相同的交變磁場。
金屬工件放入感應圈內,在磁場作用下,工件內就會產生與感應圈頻率相同而方向相反的感應電流。由于感應電流沿工件表面形成封閉回路,通常稱為渦流。此渦流將電能變成熱能,將工件的表面迅速加熱。
渦流主要分布于工件表面,工件內部幾乎沒有電流通過,這種現象稱為表面效應或集膚效應。感應加熱就是利用集膚效應,依靠電流熱效應把工件表面迅速加熱到淬火溫度的。感應圈用紫銅管制做,內通冷卻水。當工件表面在感應圈內加熱到一定溫度時,立即噴水冷卻,使表面層獲得馬氏體組織。
烜芯微專業制造二極管,三極管,MOS管,橋堆等20年,工廠直銷省20%,1500家電路電器生產企業選用,專業的工程師幫您穩定好每一批產品,如果您有遇到什么需要幫助解決的,可以點擊右邊的工程師,或者點擊銷售經理給您精準的報價以及產品介紹
烜芯微專業制造二極管,三極管,MOS管,橋堆等20年,工廠直銷省20%,1500家電路電器生產企業選用,專業的工程師幫您穩定好每一批產品,如果您有遇到什么需要幫助解決的,可以點擊右邊的工程師,或者點擊銷售經理給您精準的報價以及產品介紹