MOS管作為半導體領域最基礎的器件之一,無論是在IC 設計里,還是板級電路應用上,都十分廣泛。
MOS管一般是金屬(metal)—氧化物(oxide)—半導體(semiconductor)場效應晶體管,或者稱是金屬—絕緣體(insulator)—半導體。MOS管的source(源極)和drain(耗盡層)是可以對調的,他們都是在P型backgate中形成的N型區。在多數情況下,這個兩個區是一樣的,即使兩端對調也不會影響器件的性能。這樣的器件被認為是對稱的。
MOS管目前尤其在大功率半導體領域,各種結構的 MOS 管更是發揮著不可替代的作用。作為一個基礎器件,往往集簡單與復雜與一身,簡單在于它的結構,復雜在于基于應用的深入考量。
MOS管元器件半導體結構詳解
作為半導體器件,它的來源還是最原始的材料,摻雜半導體形成的P和N型物質。

那么,在半導體工藝里,如何制造MOS管的?

這就是一個 NMOS 的結構簡圖,一個看起來很簡單的三端元器件。具體的制造過程就像搭建積木一樣,在一定的地基(襯底)上依據設計一步步“蓋”起來。

MOS 管的符號描述如下:

MOS管的工作機制
以增強型 MOS 管為例,我們先簡單來看下 MOS 管的工作原理。
由上圖結構我們可以看到 MOS 管類似三極管,也是背靠背的兩個PN結!三極管的原理是在偏置的情況下注入電流到很薄的基區通過電子-空穴復合來控制CE之間的導通,MOS 管則利用電場來在柵極形成載流子溝道來溝通DS之間。

如上圖,在開啟電壓不足時,N區和襯底P之間因為載流子的自然復合會形成一個中性的耗盡區。
給柵極提供正向電壓后,P區的少子(電子)會在電場的作用下聚集到柵極氧化硅下,最后會形成一個以電子為多子的區域,叫反型層,稱為反型因為是在P型襯底區形成了一個N型溝道區。這樣DS之間就導通了。
下圖是一個簡單的MOS管開啟模擬:

這是MOS管電流Id隨Vgs變化曲線,開啟電壓為1.65V。下圖是MOS管的IDS和VGS與VDS 之間的特性曲線圖,類似三極管。

下面我們先從器件結構的角度看一下MOS管的開啟全過程。
1、Vgs對MOS管的開啟作用

一定范圍內Vgs>Vth,Vds
Vgs為常數時,Vds上升,Id近似線性上升,表現為一種電阻特性。
Vds為常數時,Vgs上升,Id近似線性上升,表現出一種壓控電阻的特性。
即曲線左邊

2、Vds對MOS管溝道的控制

當Vgs>Vth,Vds
當Vds>Vgs-Vth后,我們可以看到因為DS之間的電場開始導致右側的溝道變窄,電阻變大。所以電流Id增加開始變緩慢。當Vds增大一定程度后,右溝道被完全夾斷了!

此時DS之間的電壓都分布在靠近D端的夾斷耗盡區,夾斷區的增大即溝道寬度W減小導致的電阻增大抵消了Vds對Id的正向作用,因此導致電流Id幾乎不再隨Vds增加而變化。此時的D端載流子是在強電場的作用下掃過耗盡區達到S端!

這個區域為MOS管的恒流區,也叫飽和區,放大區。
但是因為有溝道調制效應導致溝道長度 L 有變化,所以曲線稍微上翹一點。
重點備注:MOS管與三極管的工作區定義差別
三極管的飽和區:輸出電流 Ic 不隨輸入電流 Ib 變化。
MOS管的飽和區:輸出電流 Id 不隨輸出電壓 Vds 變化。


3、擊穿
Vgs 過大會導致柵極很薄的氧化層被擊穿損壞。
Vds 過大會導致D和襯底之間的反向PN結雪崩擊穿,大電流直接流入襯底。
三、 MOS管的開關過程分析
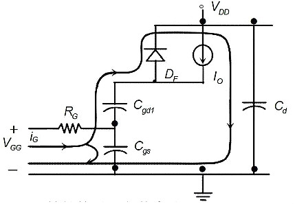
如果要進一步了解MOS管的工作原理,剖析MOS管由截止到開啟的全過程,必須建立一個完整的電路結構模型,引入寄生參數,如下圖。

t0~t1階段:柵極電流對Cgs和Cgd充電,Vgs上升到開啟電壓Vgs(th),此間,MOS沒有開啟,無電流通過,即MOS管的截止區。在這個階段,顯然Vd電壓大于Vg,可以理解為電容 Cgd 上正下負。

t1~t2階段:Vgs達到Vth后,MOS管開始逐漸開啟至滿載電流值Io,出現電流Ids,Ids與Vgs呈線性關系,這個階段是MOS管的可變電阻區,或者叫線性區。

t2~t3階段:在MOS完全開啟達到電流Io后,柵極電流被完全轉移到Ids中,導致Vgs保持不變,出現米勒平臺。在米勒平臺區域,處于MOS管的飽和區,或者叫放大區。
在這一區域內,因為米勒效應,等效輸入電容變為(1+K)Cgd。
米勒效應如何產生的:
在放大區的 MOS管,米勒電容跨接在輸入和輸出之間,為負反饋作用。具體反饋過程為:Vgs增大>mos開啟后Vds開始下降>因為米勒電容反饋導致Vgs也會通過Cgd放電下降。這個時候,因為有外部柵極驅動電流,所以才會保持了Vgs不變,而Vds還在下降。

t3-t4階段:渡過米勒平臺后,即Cgd反向充電達到Vgs,Vgs繼續升高至最終電壓,這個電壓值決定的是MOS管的開啟阻抗Ron大小。

我們可以通過仿真看下具體過程:

由上面的分析可以看出米勒平臺是有害的,造成開啟延時,不能快速進入可變電阻區,導致損耗嚴重,但是這個效應又是無法避免的。
目前減小 MOS 管米勒效應的幾種措施:
a:提高驅動電壓或者減小驅動電阻,目的是增大驅動電流,快速充電。但是可能因為寄生電感帶來震蕩問題。

b:ZVS 零電壓開關技術是可以消除米勒效應的,即在 Vds 為 0 時開啟溝道,在大功率應用時較多。
c:柵極負電壓驅動,增加設計成本。

d: 有源米勒鉗位。即在柵極增加三極管,關斷時拉低柵極電壓。

烜芯微專業制造二極管,三極管,MOS管,橋堆等20年,工廠直銷省20%,1500家電路電器生產企業選用,專業的工程師幫您穩定好每一批產品,如果您有遇到什么需要幫助解決的,可以點擊右邊的工程師,或者點擊銷售經理給您精準的報價以及產品介紹