s8050和ss8050三極管是同一個三極管嗎?選用8050三極管的時候要注意區分!!
聽過8050的都知道是三極管,但是選器件的時候遇到帶s和ss的8050,就有些疑惑?就這兩個標識,一個S是指三星命名的8050,也就是8050三極管;兩個S是指三星命名同型號的大電流8050三極管,這也是最常用的兩種三極管。
知道帶s、ss是什么意思了,那就更要知道這兩個8050三極管具體參數有什么不同?
s8050、ss8050詳細參數表:
Type | Polarity | Pcm | Ic | BVCBO | BVCEO | BVEBO | HFE | Vce(sat) | |||||
(mW) | (mA) | (V) | (V) | (V) | MIN | MAX | Vce(V) | Ic(mA) | (V) | Ic(mA) | IB(mA) | ||
S8050 | NPN | 300 | 500 | 40 | 25 | 5 | 120 | 400 | 1 | 50 | 0.6 | 500 | 50 |
SS8050 | NPN | 300 | 1500 | 40 | 25 | 5 | 120 | 400 | 1 | 100 | 0.5 | 800 | 80 |
s8050三極管外形封裝引腳和標識:


1、s8050貼片封裝SOT-23,引腳說明如上圖,器件標識J3Y。


2、ss8050貼片封裝SOT-23,引腳說明如上圖,器件標識Y2。


3、s8050、ss8050插件封裝TO-92,引腳說明如上圖。
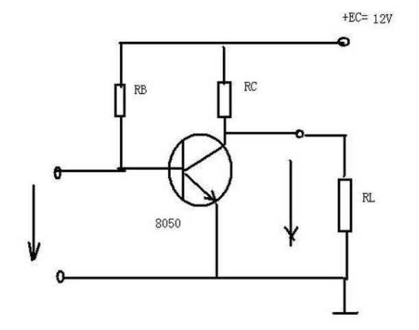
s8050、ss8050基礎應用電路圖
