肖特基二極管結構
肖特基二極管(Schottky Barrier Diode)是一種利用金屬-半導體結原理制作的特殊二極管,簡稱SBD。由于具有正向導通電壓低和快速開關等特點,肖特基二極管適合高頻應用。

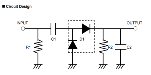
肖特基二極管的電路檢測應用
在無線RF應用中,為了調節接受到的功率級,并把目標功率發射到放大器,必須首先檢測接收到的功率,并通過一個增益控制電路(AGC)反饋檢測到的電壓。這樣的檢測電路就需要使用肖特基二極管。


肖特基二極管電路檢測該電路BOM只有5個元器件,包括兩個1000pF電容器,一個封裝尺寸為1005,另一個為1608;兩個電阻器阻值分別為100歐姆、470k歐姆,封裝尺寸均為1608。PCB采用FR-4,尺寸為25 x 10mm,肖特基二極管采用安森美公司的NSVR351SDSA3,封裝規格SC-59。
烜芯微專業制造二極管,三極管,MOS管,橋堆等20年,工廠直銷省20%,1500家電路電器生產企業選用,專業的工程師幫您穩定好每一批產品,如果您有遇到什么需要幫助解決的,可以點擊右邊的工程師,或者點擊銷售經理給您精準的報價以及產品介紹
烜芯微專業制造二極管,三極管,MOS管,橋堆等20年,工廠直銷省20%,1500家電路電器生產企業選用,專業的工程師幫您穩定好每一批產品,如果您有遇到什么需要幫助解決的,可以點擊右邊的工程師,或者點擊銷售經理給您精準的報價以及產品介紹