MOSFET管的內部構造中,漏柵源三個極之間存在一個固有的寄生二極管,如圖9.18所示。體二極管的極性能夠阻止反向電壓經過MOS管阻T管,其正向電流接受才能和反向額定電壓與MOS目T管的標稱值分歧。它的反向恢復時間比普通的交流電源整流二極管短,比快’恢復二極管的長。消費商數據表列出了各種MOSFET管的體二極管的反向恢復時間 。

體二極管的 N 型 MOSFET 體二極管的 P 型 MOSFET圖 9.18 N 型和 P 型 MOS四T 管中的體二極管 。


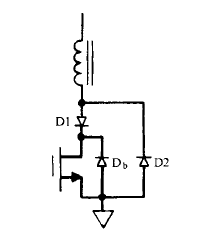
關于 N 溝道 MOSFET 管,二極管阻止 負的漏據極間電壓 ,關于 P 溝道 MOSFET 管,二極管阻止正的漏掘極間電壓由于在漏源極之間普通不會施加反向電壓 ( 關于 N 型 MOSFET 管,漏極相對源極為負 : 關于 P 型 MOSFET 管,漏極相對源極極性為正) ,所以這個寄生二極管對大局部開關電源拓撲是沒有什么影響的 。但有一些狀況下也需求 MOSFET 管接受反壓 ,特別 是在如圖 3.1 和圖3.3所示的半橋和全橋拓撲中。不過在這些拓撲中簡直都有一個死區時間,這個死區時間是從體 二極管導通的時辰(貯存在變壓器漏感中的能量反應到電網時)到它被施加反向電壓的時辰。死區使正向電流和反向電壓之間有延遲,所以MOSFET管的二極管較弱的反 向恢復特性是沒什么影響的 。但是,假如一個全新的電路拓撲需求MOS因T管承圖9.19當必需允許反向電流流過受反向電壓,則必需在漏極串連一個阻斷二極管。由于體MOSFET管時,應防止運用體二極管。二極管的存在,馬達驅動電路或具有電感負載的電路可能為阻止電流流經體二極管(它的反向恢復特性不好),要附加阻斷二極管DI串聯到漏極。將反向恢復特性更好會存在問題。高頻諧振電路拓撲 C 13 章) 通常請求開關管必需能 在接受正向電流以后立刻展受反向電壓 。這時能夠運用如的 D2 并聯在 DI 陽極和 Ql 源極上圖9.19所示的電路 。二極管 Dl 阻止正向電流過 MOSFET管中的體二極管 ,快速反向恢復二極管 D2 為正向電流提供通路 。
烜芯微專業制造二極管,三極管,MOS管,橋堆20年,工廠直銷省20%,1500家電路電器生產企業選用,專業的工程師幫您穩定好每一批產品,如果您有遇到什么需要幫助解決的,可以點擊右邊的工程師,或者點擊銷售經理給您精準的報價以及產品介紹
烜芯微專業制造二極管,三極管,MOS管,橋堆20年,工廠直銷省20%,1500家電路電器生產企業選用,專業的工程師幫您穩定好每一批產品,如果您有遇到什么需要幫助解決的,可以點擊右邊的工程師,或者點擊銷售經理給您精準的報價以及產品介紹