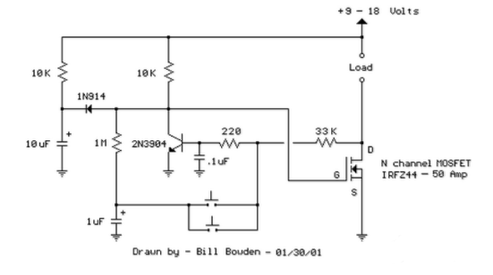
mos管電子開關實現多點控制電路是由約翰·倫德格倫改編自“撥動開關去抖的按鈕”。需要從一個位置接通和從另一個位置關掉負載,這個電路是有用的。任何數量的瞬間(N / O)開關或按鈕可并行連接。
在原理圖上的左側的組合(10K,10uF和二極管)保證了電路接通電源時保持負載斷開狀態。如果初始上電狀態不是一個問題,這些組件可以被省略。

當開關按下時,1uF電容被連接到220歐姆和33K電阻連接點,NPN晶體管截止,mos管導通開啟負載。釋放按鈕后,1uF電容通過1M電阻充電。第二次按下開關,1uF電容充電后的電壓被加載到NPN晶體管基極,晶體管導通,mos管關閉,負載斷電。
當開關按下時,1uF電容被連接到220歐姆和33K電阻連接點,NPN晶體管截止,mos管導通開啟負載。釋放按鈕后,1uF電容通過1M電阻充電。第二次按下開關,1uF電容充電后的電壓被加載到NPN晶體管基極,晶體管導通,mos管關閉,負載斷電。
在晶體管的基極加入0.1uF電容,攔截噪聲可能造成的誤觸發,如果開關位于遠離電路。使用12伏,25瓦特汽車燈,和IRFZ44的電路進行了測試。其他的MOSFET大概可以使用。
烜芯微專業制造二極管,三極管,MOS管,橋堆20年,工廠直銷省20%,1500家電路電器生產企業選用,專業的工程師幫您穩定好每一批產品,如果您有遇到什么需要幫助解決的,可以點擊右邊的工程師,或者點擊銷售經理給您精準的報價以及產品介紹