什么是MOS管GS波形振蕩
對電源工程師來說,我們必須能會看波形,看輸入波形,MOS開關波形,電流波形,輸出二極管波形,芯片波形,MOS管的GS波形等,現在我們看看GS波形,說說MOS管GS波形振蕩要怎么消除?
在測試MOS管GS波形的時候,某些情況下會看到下圖這種波形,在芯片端是很好的方波狀態輸出,但是到了MOS管的G極就出了問題,有振蕩現象,當這個振蕩小的時候還能過關,但是波動過大的時候就要有重啟的心理準備了。


什么是MOS管GS波形振蕩?

MOS管GS波形是怎么產生的?要怎么消除?
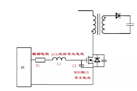
當IC出來的波形正常,但到了C1兩端的波形就有振蕩時,那么實際就是R1,L1和C1三個元器件的串聯振蕩所引起的,R1為驅動電阻,是為外加,L1是PCB上走線的寄生電感,C1則是MOS管GS的寄生電容。
對于RLC的串聯諧振電路,其中L1和C1功耗不消耗,電阻R1起到阻值振蕩和阻尼的作用。
MOS管GS波形振蕩的產生
電阻的阻值就可以決定C1兩端會不會振蕩。
1、R1>2(L1/C1)∧0.5時,S1/S2是不相等的實數根,過阻尼情況,基本不會發生振蕩。
2、R1=2(L1/C1)∧0.5時,S1/S2為兩個相等的實數根,臨界情況,有振蕩也比較微弱。
3、R1<2(L1/C1)∧0.5時,S1/S2為共軛復數根,欠阻尼情況,電路一定會發生振蕩。
MOS管GS波形振蕩解決方案
1、增大電阻R1≥2(L1/C1)∧0.5來消除振蕩,對于增大R1會降低電源效率的。我們一般選擇接近臨界的阻值。
2、減小PCB走線寄生電感,這個就是說在布局布線中一定要注意。
3、增大C1,對于這個,我們往往是不太好改變的,C1的增大會使開通的時間大大加長,我們一般不去改變他。
注意:最主要的還是在布局布線的時候,特別注意走線的長度,整個驅動回路的長度越短越好,另外可以適當加大R1。
烜芯微專業制造二極管,三極管,MOS管,橋堆20年,工廠直銷省20%,1500家電路電器生產企業選用,專業的工程師幫您穩定好每一批產品,如果您有遇到什么需要幫助解決的,可以點擊右邊的工程師,或者點擊銷售經理給您精準的報價以及產品介紹
烜芯微專業制造二極管,三極管,MOS管,橋堆20年,工廠直銷省20%,1500家電路電器生產企業選用,專業的工程師幫您穩定好每一批產品,如果您有遇到什么需要幫助解決的,可以點擊右邊的工程師,或者點擊銷售經理給您精準的報價以及產品介紹