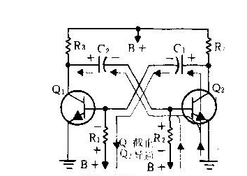
實際上多諧振蕩電路原理圖中兩只晶體管不會是完全相同的,下面由小編來繼續普及這方面的知識,簡單來說,貼片三極管兩極用的是相同型號的晶體管和用相同的元件值,一個晶體管也會比另一個起始導電量稍微大些。
假定Ql的導電量稍大些,由于Ql的電流大,它的集電集電壓下降就要比Q2的快些。結果,被通過電阻器R2放電的電容器C2藕臺到Q2基極的電壓就要比由C1和Rl藕合到Ql基極的電壓負值更大些。這就使得Q2的導電量減少,而它的集電極電壓則相應地增高了。


Q2集電極升高的電壓,是作為正電壓藕合回Ql基極的。這樣,Q1導電更多,從而引起它的集電極電壓進一步下降,由于C2還在放電。故驅使Q2的基極電壓向負的增大。
這個過程繼續到最終Q2截止,而Ql在飽和狀態下導通為止。此時,電容器C2仍然通過電阻器R對接地點放電。Q2級保持截止直至C2已充分放電使得Q2的基極電壓超過截止值為止。然后Q2開始導通,這樣就開始了多諧振蕩器的第二個半周。
由于Q2開始導通,它的集電極電壓就開始下降,導致電容器Cl通過電阻器Rl開始放電,這樣,加到Q1基集的是負電壓。Q1傳導的電流因此而減小,并引起Ql集電極電壓升高。

Q2集電極升高的電壓,是作為正電壓藕合回Ql基極的。這樣,Q1導電更多,從而引起它的集電極電壓進一步下降,由于C2還在放電。故驅使Q2的基極電壓向負的增大。
這個過程繼續到最終Q2截止,而Ql在飽和狀態下導通為止。此時,電容器C2仍然通過電阻器R對接地點放電。Q2級保持截止直至C2已充分放電使得Q2的基極電壓超過截止值為止。然后Q2開始導通,這樣就開始了多諧振蕩器的第二個半周。
由于Q2開始導通,它的集電極電壓就開始下降,導致電容器Cl通過電阻器Rl開始放電,這樣,加到Q1基集的是負電壓。Q1傳導的電流因此而減小,并引起Ql集電極電壓升高。
烜芯微專業制造二極管,三極管,MOS管,橋堆20年,工廠直銷省20%,1500家電路電器生產企業選用,專業的工程師幫您穩定好每一批產品,如果您有遇到什么需要幫助解決的,可以點擊右邊的工程師,或者點擊銷售經理給您精準的報價以及產品介紹
烜芯微專業制造二極管,三極管,MOS管,橋堆20年,工廠直銷省20%,1500家電路電器生產企業選用,專業的工程師幫您穩定好每一批產品,如果您有遇到什么需要幫助解決的,可以點擊右邊的工程師,或者點擊銷售經理給您精準的報價以及產品介紹