cmos與非門簡介
與非門是與門和非門的結合,先進行與運算,再進行非運算。與非運算輸入要求有兩個,如果輸入都用0和1表示的話,那么與運算的結果就是這兩個數的乘積。如1和1(兩端都有信號),則輸出為0;1和0,則輸出為1;0和0,則輸出為1。與非門的結果就是對兩個輸入信號先進行與運算,再對此與運算結果進行非運算的結果。簡單說,與非與非,就是先與后非。
電工學里一種基本邏輯電路,是與門和非門的疊加,有兩個輸入和一個輸出。CMOS電路中的邏輯門有非門、與門、與非門、或非門、或門、異或門、異或非門,施密特觸發門、緩沖器、驅動器等。與非門則是當輸入端中有1個或1個以上是低電平時,輸出為高電平;只有所有輸入是高電平時,輸出才是低電平
與非門芯片:74ls系列:74ls00、74LS20,CMOS系列:CD4011
cmos與非門電路原理知識
CMOS反相器具有以下的特點:MT28F320J3RG-11MET靜態功耗低,動態功耗接近邏輯擺:幅約為UD,具南較大悄、邏輯于LSUL電路(低功耗肖特基電路);擺幅;電路抗干擾能力強;工作速度快,高速CMOS電路的工作速度接近于LSTTL電路;工作電壓范圍寬,4000系列的電源電壓范圍為3N18V,74HC系列的電源電壓范圍為2—6V;工藝復雜,成本高。
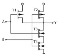
以CMOS反相器為基礎,構成的CMOS與非門電路如圖1所示。它由兩個P溝道MOS管和兩個N溝道MOS管構成。負載管P溝道MOS管VT3與VT4并聯,驅動管N溝道MOS管VT1與Vrl3串聯。該電路具有與非功能,邏輯表達式為F= AB。
以CMOS反相器為基礎,構成的CMOS或非門電路如圖2所示。它由兩個P溝道MOS管和兩個N溝道MOS管構成。負載管P溝道MOS管VT3與VT4串聯,驅動管N溝道MOS管VT1與Vrl2并聯。該電路具有或非功能,邏輯表達式為F=A+B。

圖1 CMOS與非門電路

圖2 CMOS或非門電路
由于組成門電路的MOS管的串并聯關系,會導致MOS管導通電阻的變化,破壞了CMOS電路的對稱性,引起電路噪聲容限的降低,輸出波形不對稱。為了解決這些問題.在上述基本CMOS門電路的基礎上,在電路輸入、A輸出端增加反相器,從而構成了帶緩沖的CMOS門電路。
CMOS與非門電路輸入管
輸入端CMOS與非門電路,其中包括兩個串聯的N溝道增強型MOS管和兩個并聯的P溝道增強型MOS管。每個輸入端連到一個N溝道和一個P溝道MOS管的柵極。當輸入端A、B中只要有一個為低電平時,就會使與它相連的NMOS管截止,與它相連的PMOS管導通,輸出為高電平;僅當A、B全為高電平時,才會使兩個串聯的NMOS管都導通,使兩個并聯的PMOS管都截止,輸出為低電平。

因此,這種電路具有與非的邏輯功能,即,n個輸入端的與非門必須有n個NMOS管串聯和n個PMOS管并聯。
cmos與非門電路真值表、邏輯符號及如何實現
1、真值表
與非門真值表

2、邏輯符號

3、如何實現

開關邏輯圖

CMOS邏輯
烜芯微專業制造二極管,三極管,MOS管,橋堆20年,工廠直銷省20%,1500家電路電器生產企業選用,專業的工程師幫您穩定好每一批產品,如果您有遇到什么需要幫助解決的,可以點擊右邊的工程師,或者點擊銷售經理給您精準的報價以及產品介紹
烜芯微專業制造二極管,三極管,MOS管,橋堆20年,工廠直銷省20%,1500家電路電器生產企業選用,專業的工程師幫您穩定好每一批產品,如果您有遇到什么需要幫助解決的,可以點擊右邊的工程師,或者點擊銷售經理給您精準的報價以及產品介紹