開關電源概述
開關電源又稱交換式電源、開關變換器,是一種高頻化電能轉換裝置,是電源供應器的一種。其功能是將一個位準的電壓,透過不同形式的架構轉換為用戶端所需求的電壓或電流。開關電源的輸入多半是交流電源(例如市電)或是直流電源,而輸出多半是需要直流電源的設備,例如個人電腦,而開關電源就進行兩者之間電壓及電流的轉換。
開關電源不同于線性電源,開關電源利用的切換晶體管多半是在全開模式(飽和區)及全閉模式(截止區)之間切換,這兩個模式都有低耗散的特點,切換之間的轉換會有較高的耗散,但時間很短,因此比較節省能源,產生廢熱較少。理想上,開關電源本身是不會消耗電能的。電壓穩壓是透過調整晶體管導通及斷路的時間來達到。相反的,線性電源在產生輸出電壓的過程中,晶體管工作在放大區,本身也會消耗電能。開關電源的高轉換效率是其一大優點,而且因為開關電源工作頻率高,可以使用小尺寸、輕重量的變壓器,因此開關電源也會比線性電源的尺寸要小,重量也會比較輕。
若電源的高效率、體積及重量是考慮重點時,開關電源比線性電源要好。不過開關電源比較復雜,內部晶體管會頻繁切換,若切換電流尚加以處理,可能會產生噪聲及電磁干擾影響其他設備,而且若開關電源沒有特別設計,其電源功率因數可能不高。
浪涌電流概述
通常在開關電源起動時,可能需要輸入端的主電網提供短時的大電流脈沖,這種電流脈沖通常被稱為“輸入浪涌電流(inrush current)”。輸入浪涌電流首先給主電網中的斷路器(main circuit breaker)和其它熔斷器的選擇造成了麻煩:斷路器一方面要保證在過載時熔斷,起到保護作用;另一方面又必須在輸入浪涌電流出現時不能熔斷,避免誤動作。其次,輸入浪涌電流會產生輸入電壓波形塌陷,使供電質量變差,進而影響其它用電設備的工作。
出現輸入浪涌電流的原因
如圖1所示的開關電源中,輸入電壓首先經過干擾濾波,再通過橋式整流器變成直流,然后通過一個很大的電解電容器進行波形平滑,之后才能進入真正的直流/直流轉換器。輸入浪涌電流就是在對這個電解電容器進行初始充電時產生的,它的大小取決于起動上電時輸入電壓的幅值以及由橋式整流器和電解電容器所形成回路的總電阻。如果恰好在交流輸入電壓的峰值點起動時,就會出現峰值輸入浪涌電流。

圖1 開關電源輸入端簡圖
5種抑制沖擊電流的方法解析
(一)
最常用的輸入浪涌電流限制方法:串聯負溫度系數熱敏限流電阻器(ntc)

圖2 串聯NTC限制開機浪涌電流
串聯負溫度系數熱敏限流電阻器ntc無疑是目前為止最簡單的抑制輸入浪涌電流的方法。因為ntc電阻器會隨溫度升高而降低。在開關電源起動時,ntc電阻器處于常溫,有很高的電阻,可以有效地限制電流;而在電源起動之后,ntc電阻器會由于自身散熱而迅速升溫至約110oc,電阻值則減少到室溫時的約十五分之一,減少了開關電源正常工作時的功率損耗。
優點:
電路簡單實用、成本低
缺點:
1. ntc電阻器的限流效果受環境溫度影響較大:如果在低溫(零下)起動時,電阻過大,充電電流過小,開關電源可能無法起動;如果在高溫起動,電阻器的阻值過小,則可能達不到限制輸入浪涌電流的效果。
2. 限流效果在短暫的輸入主電網中斷(約幾百毫秒數量級)時只能部分地達到。在這個短暫的中斷期間,電解電容器已被放電,而ntc電阻器的溫度仍很高,阻值很小,在需要電源馬上重新起動時,ntc無法有效地實現限流作用。
3. ntc電阻器的功率損耗降低了開關電源的轉換效率。
(二)
在做微小功率的開關電源時,直接使用功率電阻限制浪涌電流。

圖3 直接串聯功率電阻限制浪涌電流(只適合微小功率開關電源)
優點:
電路簡單、成本低、對浪涌電流的的限制方面幾乎不受高低溫的影響
缺點:
只適合微小功率開關電源
對效率影響很大
(三)
NTC熱敏電阻與普通功率電阻并聯的方式來限制浪涌電流

圖4 NTC熱敏電阻與功率電阻并聯的方式來抑制開機浪涌電流
常溫起機時,功率電阻與熱敏電阻并聯后的阻值來限制浪涌電流,在低溫起機時NTC熱敏電阻的阻值急劇升高但功率電阻阻值基本是不變的能保證低溫啟動,不過在高溫實驗時浪涌電路也很大。
優點:
簡單實用、對于常溫和低溫起機時效果不錯
缺點:
效率影響較大
高溫浪涌電流大
(四)
串聯固定電阻器配合晶閘管,來限制輸入浪涌電流

圖5 串聯固定電阻器配合晶閘管來限制開機浪涌電流
上電時,Vs截止,電流經過R1,R1起到限流作用,達到一定條件,VS導通,將R1斷路。是效率損失大大降低。
優點:
功耗低
對浪涌電流的的限制方面幾乎不受高低溫的影響
缺點:
體積大、成本高
(五)
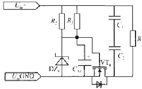
利用MOSFET開關管及延時網絡電路進行浪涌電流抑制浪涌電流

圖6 利用開關管延時電路進行浪涌電流抑制浪涌電流
電路工作的基本原理是:由于DC-DC開關電源的輸入端接有容性濾波電路,當開機加電瞬間由于需要為濾波電容C1、C2充電,所以瞬間產生較大的浪涌電流,此時在母線輸入的地線上介入的MOSFET(VT1)的漏原極之間并未導通,隨著R2、R3、DZ1及CA1組成的延時電路給MOSFET(VT1)的柵極加電,是MOSFET(VT1)的漏源極逐漸導通,從而有效減小了開機瞬間由輸入端的容性濾波電路充電而產生的浪涌電流值。當電路進入穩定工作狀態下,其漏源極始終處于導通狀態。
由于實際的開關電源產品產品設計中對于浪涌電流抑制不盡相同,可通過調節CA1的具體參數而獲得不同的浪涌電流抑制的結果。
優點:
功耗低
常溫、低溫、高溫對浪涌電流的限制效果都特別好
缺點:
體積大
成本高
浪涌電流
浪涌電流指電源接通瞬間,流入電源設備的峰值電流。由于輸入濾波電容迅速充電,所以該峰值電流遠遠大于穩態輸入電流。電源應該限制AC開關、整流橋、保險絲、EMI濾波器件能承受的浪涌水平。反復開關環路,AC輸入電壓不應損壞電源或者導致保險絲燒斷。浪涌電流也指由于電路異常情況引起的使結溫超過額定結溫的不重復性最大正向過載電流。
烜芯微專業制造二極管,三極管,MOS管,橋堆20年,工廠直銷省20%,1500家電路電器生產企業選用,專業的工程師幫您穩定好每一批產品,如果您有遇到什么需要幫助解決的,可以點擊右邊的工程師,或者點擊銷售經理給您精準的報價以及產品介紹
烜芯微專業制造二極管,三極管,MOS管,橋堆20年,工廠直銷省20%,1500家電路電器生產企業選用,專業的工程師幫您穩定好每一批產品,如果您有遇到什么需要幫助解決的,可以點擊右邊的工程師,或者點擊銷售經理給您精準的報價以及產品介紹