MOSFET柵極,場效應管根據三極管的原理開發出的新一代放大元件,有3個極性,柵極,漏極,源極,它的特點是柵極的內阻極高,采用二氧化硅材料的可以達到幾百兆歐,屬于電壓控制型器件。場效應晶體管(FieldEffectTransistor縮寫(FET))簡稱場效應管。由多數載流子參與導電,也稱為單極型晶體管。它屬于電壓控制型半導體器件。
MOSFET柵極常見電路
1:去除電路耦合進去的噪音,提高系統的可靠性。
2:加速MOSFET的導通,降低導通損耗。
3:加速MOSFET的關斷,降低關斷損耗。
4:降低MOSFET DI/DT,保護MOSFET同時抑制EMI干擾。
5:保護柵極,防止異常高壓條件下柵極擊穿。
6:增加驅動能力,在較小的信號下,可以驅動MOSFET。
(一)直接驅動
首先說一下電源IC直接驅動,下圖是我們最常用的直接驅動方式,在這類方式中,我們由于驅動電路未做過多處理,因此我們進行PCB LAYOUT時要盡量進行優化。如縮短IC至MOSFET的柵極走線長度,增加走線寬度,盡量將Rg放置在離MOSFET柵極較進的位置,從而達到減少寄生電感,消除噪音的目的。


當然另一個問題我們得考慮,那就是PWM CONTROLLER的驅動能力,當MOSFET較大時,IC驅動能力較小時,會出現驅動過慢,開關損耗過大甚至不能驅動的問題,這點我們在設計時需要注意。
(二)IC內部驅動能力不足時
當然,對于IC內部驅動能力不足的問題我們也可以采用下面的方法來解決。


這種增加驅動能力的方式不僅增加了導通時間,還可以加速關斷時間,同時對控制毛刺及功率損耗由一定的效果。當然這個我們在LAYOUT時要盡量將這兩個管子放的離MOSFET柵極較近的位置。這樣做的好處還有減少了寄生電感,提高了電路的抗干擾性。
(三)增加MOSFET的關斷速度
如果我們單單要增加MOSFET的關斷速度,那么我們可以采用下面的方式來進行。


關斷電流比較大時,能使MOSFET輸入電容放電速度更快,從而降低關斷損耗。大的放電電流可以通過選擇低輸出阻抗的MOSFET或N溝道的負的截止的電壓器件來實現,最常用的就是加加速二極管。
柵極關斷時,電流在電阻上產生的壓降大于二極管導通壓降時,這時二極管會導通,從而將電阻進行旁路,導通后,隨著電流的減小,二極管在電路中的作用越來越小,該電路作用會顯著的減小MOSFET關斷的延遲時間。
(四)PNP加速關斷驅動電路
PNP加速關斷電路是目前應用最多的電路,在加速三級管的作用下可以實現瞬間的柵源短路,從而達到最短的放電時間,之所以加二極管一方面是保護三級管基極,另一方面是為導通電流提供回路及偏置,該電路的優點為可以近似達到推拉的效果加速效果明顯,缺點為柵極由于經過兩個PN節,不能是柵極真正的達到0伏。


(五)當源極輸出為高電壓時的驅動
當源極輸出為高電壓的情況時,需要采用偏置電路達到電路工作的目的,既以源極為參考點,搭建偏置電路,驅動電壓在兩個電壓之間波動,驅動電壓偏差由低電壓提供,如下圖所示。


當然,這個圖有點問題,不知道大家看出來來了嗎?
其實問題就是“驅動電源”需要懸浮,下面就是正確的電路如,供各位參考。


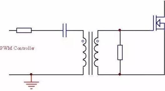
(六)滿足隔離要求的驅動
為了滿足安全隔離的要求或者提供高端浮動柵極驅動經常會采用變壓器驅動。這種驅動將驅動控制和MOSFET進行了隔離,可以應用到低壓及高壓電路中去,如下圖所示


變壓器驅動說白了就是隔離驅動,當然現在也有專門的驅動IC可以解決,但變壓器驅動有自己的特點使得很多人一直在堅持用。
圖中耦合電容的作用是為磁化的磁芯提供復位電壓,如果沒有這個電容,會出現磁飽和。
與電容串聯的電阻的作用是為了防止占空比突然變化形成LC的震蕩,因此加這個電阻進行緩解。
(七)自舉逆變圖
下面是一個實際的自舉逆變圖,供參考。




MOSFET柵極電壓對電流的影響
圖中顯示的是電子密度的變化。閾值電壓在0.45V左右。
FET通過影響導電溝道的尺寸和形狀,控制從源到漏的電子流(或者空穴流)。溝道是由(是否)加在柵極和源極的電壓而創造和影響的(為了討論的簡便,這默認體和源極是相連的)。導電溝道是從源極到漏極的電子流。
耗盡模式
在一個n溝道"耗盡模式"器件,一個負的柵源電壓將造成一個耗盡區去拓展寬度,自邊界侵占溝道,使溝道變窄。如果耗盡區擴展至完全關閉溝道,源極和漏極之間溝道的電阻將會變得很大,FET就會像開關一樣有效的關閉(如右圖所示,當柵極電壓很低時,導電溝道幾乎不存在)。類似的,一個正的柵源電壓將增大溝道尺寸,而使電子更易流過(如右圖所示,當柵極電壓足夠高時,溝道導通)。
增強模式
相反的,在一個n溝道"增強模式"器件中,一個正的柵源電壓是制造導電溝道所必需的,因為它不可能在晶體管中自然的存在。正電壓吸引了體中的自由移動的電子向柵極運動,形成了導電溝道。但是首先,充足的電子需要被吸引到柵極的附近區域去對抗加在FET中的摻雜離子;這形成了一個沒有運動載流子的被稱為耗盡區的區域,這種現象被稱為FET的閾值電壓。更高的柵源電壓將會吸引更多的電子通過柵極,則會制造一個從源極到漏極的導電溝道;這個過程叫做"反型"。
烜芯微專業制造二三極管,MOS管,20年,工廠直銷省20%,1500家電路電器生產企業選用,專業的工程師幫您穩定好每一批產品,如果您有遇到什么需要幫助解決的,可以點擊右邊的工程師,或者點擊銷售經理給您精準的報價以及產品介紹
烜芯微專業制造二三極管,MOS管,20年,工廠直銷省20%,1500家電路電器生產企業選用,專業的工程師幫您穩定好每一批產品,如果您有遇到什么需要幫助解決的,可以點擊右邊的工程師,或者點擊銷售經理給您精準的報價以及產品介紹