12N70場效應管,12A 700V,12N70參數資料,12N70引腳圖,12N70中文資料規格書PDF

12N70 TO-220F參數封裝:點擊查看

12N70封裝有TO-220/TO-220F/TO-252
12N70場效應管參數如下:
極性:NPN
Drain-Source Voltage 漏源電壓Vds:700V
Gate-Source Voltage 柵源電壓Vgs:±30V
Continuous Drain Current 漏極電流Id Tc=25℃:12A
Continuous Drain Current 漏極電流Id Tc=100℃:7.5A
Power Dissipation 功率損耗Pd:42W
Static Drain-Source On-Resistance 導通電阻ID=6A,VGS=10V:Typ 0.7Ω Max 0.85Ω
Junction and Storage Temperature Range 溫度范圍:-55~+150℃
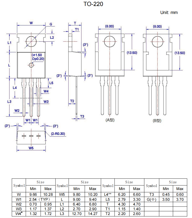
12N70場效應管/TO-220封裝尺寸:

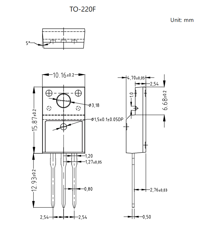
12N70場效應管/TO-220F封裝尺寸:

12N70場效應管/TO-252封裝尺寸:

〈烜芯微/XXW〉專業制造二極管,三極管,MOS管,橋堆等,20年,工廠直銷省20%,上萬家電路電器生產企業選用,專業的工程師幫您穩定好每一批產品,如果您有遇到什么需要幫助解決的,可以直接聯系下方的聯系號碼或加QQ/微信,由我們的銷售經理給您精準的報價以及產品介紹
聯系號碼:18923864027(同微信)
QQ:709211280