KBP307整流橋3A 600V,KBP307封裝為KBP,DIP-4,KBP307整流橋參數規格書


KBP307整流橋參數規格書:點擊下載

Maximum repetitive peak reverse voltage VRRM最大重復峰值反向電壓:600.0V
Maximum DC blocking voltage VDC最大直流阻斷電壓:600.0V
Maximum average forward rectified current IF(AV) 最大平均正向整流電流:3.0A
Maximum instantaneous forward voltage drop per birdge element at 3.0A VF 3.0A時最大瞬間正向壓降:1.0V
Maximum DC reverse current TA=25* IR 最大直流反向電流TA=25*:5.0uA
at rated DC blocking voltage TA=125* IR 額定直流反向電流TA=125*:0.5mA
Operating temperature range TJ 工作溫度范圍:-55 to +150°C
storage temperature range TSTG 儲存溫度范圍:-55 to +150°C
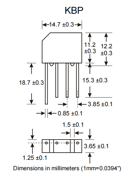
KBP307整流橋堆封裝,KBP封裝尺寸:


聯系號碼:18923864027(同微信)
QQ:709211280
〈烜芯微〉專業制造二極管,晶體三極管,MOS管,整流橋堆等,20年,工廠直銷省20%,1500家電路電器生產企業選用,專業的工程師幫您穩定好每一批產品,如果您有遇到什么需要幫助解決的,可以直接聯系上方的聯系號碼或加QQ,由我們的銷售經理給您精準的報價以及產品介紹